Skip to main content

Features

  • Wide input voltage range: 4.5V to 80V
  • Wide output voltage range: 0.8V to 76V
  • Four MOSFET drivers with adaptive shoot-through protection
  • Constant output voltage and output current feedback loop control
  • Light-load efficiency enhancement
    • Low ripple diode emulation and burst mode operation
  • Programmable soft-start
  • Supports startup into pre-biased rails
  • Programmable frequency: 100kHz to 1MHz
  • Supports current sharing with cascade phase interleaving
  • External clock sync
  • Clock out with accurate phase angle controlled by PLL or frequency dithering
  • PGOOD indicator
  • Output current monitor
  • Selectable mode between PWM/DE/Burst
  • Accurate EN/UVLO threshold: ±2%
  • Low shutdown current: 5µA
  • Complete protection: OCP (pulse by pulse and optional hiccup or constant current mode), OVP, OTP, and UVP

Description

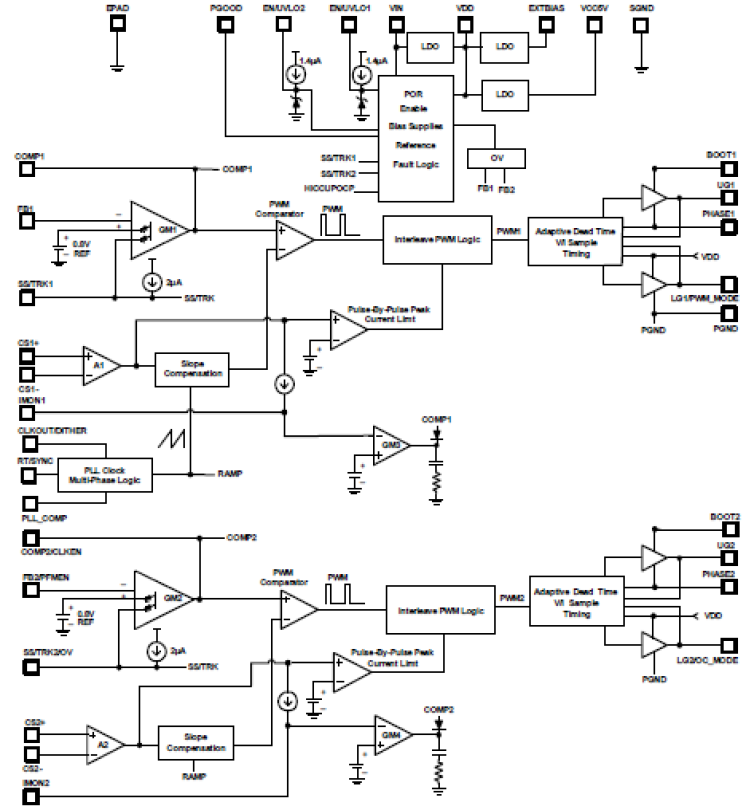
The ISL81802 is a dual synchronous buck controller that generates two independent outputs or one output with two interleaved phases for a wide variety of applications in industrial and general purpose segments. With a wide input and output voltage ranges, the controller is suitable for telecommunication, data center, and computing applications.

The ISL81802 uses peak current mode control with phase interleaving for the two outputs. Each output has a voltage regulator, current monitor, and average current regulator to provide independent average voltage and current control. The internal Phase-Locked Loop (PLL) oscillator assures an accurate frequency setting from 100kHz to 1MHz, and the oscillator can be synchronized to an external clock signal for frequency synchronization and phase interleave paralleling applications. This PLL circuit can output a phase-shift-programmable clock signal that is expanded to three, four, and six phases with required interleaving phase shift.

The ISL81802 features programmable soft-start and accurate threshold enable functions along with a power-good indicator to simplify power supply rail sequencing. It also provides full protection features such as OVP, UVP, OTP, and average and peak current limit on both outputs to ensure high reliability.

The IC is packaged in a space-saving 32 Ld 5mm × 5mm TQFN or an easy to assemble 4.4mm × 9.7mm 38 Ld HTSSOP package. Both packages use an EPAD to improve thermal performance and noise immunity. The full feature design with low pin count makes the ISL81802 an ideal solution for quick time to market simple power supply designs.

Parameters

Attributes Value
Outputs (#) 2
Topology [Rail 1] Buck
Input Voltage (Min) [Rail 1] (V) 4.5
Input Voltage (Max) [Rail 1] (V) 80 - 80
Output Voltage (Min) [Rail 1] (V) 0.8
Output Voltage (Max) [Rail 1] (V) 76
Output Current (Max) [Rail 1] (A) 20
Switching Frequency Range (Typical) (kHz) 100 - 1000
Qualification Level Standard
Temp. Range (°C) -40 to +125°C

Package Options

Pkg. Type Pkg. Dimensions (mm) Lead Count (#) Pitch (mm)
TQFN 5.0 x 5.0 x 0.75 32 0.5
TSSOP-EP 9.7 x 4.4 x 0.00 38 0.5

Application Block Diagrams

X-in-1 Electric Vehicle Unit: 48V Inverter, Onboard Charger, DC/DC Converter Interactive Block Diagram
X-in-1 Electric Vehicle Unit
Integrated X-in-1 EV power system for efficient motor control, charging, and DC/DC conversion.

Additional Applications

  • Telecommunication
  • Server and data center
  • Automotive electronics
  • Industrial equipment
  • Power system

Applied Filters: