Skip to main content

Features

  • Wide input voltage range: 4.5V to 60V
  • Wide output voltage range: 0.6V to 54V
  • Light-load efficiency enhancement
  • Low ripple Diode Emulation mode with pulse skipping
  • Programmable soft-start
  • Supports prebiased output with SR soft-start
  • Programmable frequency: 100kHz to 2MHz
  • External sync
  • PGOOD indicator
  • Forced PWM
  • Adaptive shoot-through protection
  • No external current sense resistor
  • Use lower MOSFET rDS(ON)
  • Complete protection
  • Overcurrent, overvoltage, over-temperature, undervoltage
  • Pb-free (RoHS compliant)

Description

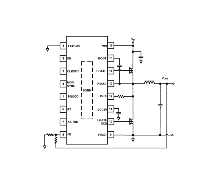
The ISL8117 is a synchronous buck controller used to generate POL voltage rails and bias voltage rails for a wide variety of applications in industrial and general purpose segments. Its wide input and output voltage ranges make it suitable for telecommunication and after-market automotive applications. The ISL8117 uses the valley current modulation technique to bring hassle-free power supply design with a minimal number of components and complete protection from unwanted events. The ISL8117 offers programmable soft-start and enable functions along with a power-good indicator for ease of supply rail sequencing and other housekeeping requirements. In ideal situations, a complete power supply circuit can be designed with 10 external components and provide OV/OC/OT protections in a space conscious 16 Ld 4mmx4mm QFN or easy to assemble 6. 4mmx5mm 16 Ld HTSSOP package. Both packages use an EPAD to improve thermal dissipation and noise immunity. Low pin count, fewer external components, and default internal values makes the ISL8117 an ideal solution for quick to market simple power supply designs. The ISL8117 uses internal loop compensation and single resistor settings for other functions such as operating frequency and overcurrent protection. Its current mode control with VIN feedforward enables it to cover various applications even with fixed internal compensations. The unique DEM/Skipping mode at light-load dramatically lowers standby power consumption with consistent output ripple over different load levels.

Parameters

Attributes Value
Outputs (#) 1
Topology [Rail 1] Buck
Input Voltage (Min) [Rail 1] (V) 4.5
Input Voltage (Max) [Rail 1] (V) 60 - 60
Output Voltage (Min) [Rail 1] (V) 0.6
Output Voltage (Max) [Rail 1] (V) 54
Output Current (Max) [Rail 1] (A) 30
Switching Frequency Range (Typical) (kHz) 100 - 2000
Qualification Level Standard
Temp. Range (°C) -40 to +125°C
Simulation Model Available iSim

Package Options

Pkg. Type Pkg. Dimensions (mm) Lead Count (#) Pitch (mm)
QFN 4.0 x 4.0 x 1.00 16 0.5
TSSOP-EP 5.0 x 4.4 x 0.00 16 0.7

Application Block Diagrams

Household Water Pump Block Diagram
Household Water Pump
Smart water pump system with low power use, noise reduction, and enhanced safety for efficient operation.
100W Multi-Output USB Power Delivery Adapter Block Diagram
100W Multi-Output USB Power Delivery Adapter
High-performance USB PD adapter for efficiently charging multiple electronic devices.
Low-Cost USB-C & USB PD 100W Power Supply with Multiple Outputs
100W/140W USB-C & USB PD Power Supply
USB-C & USB PD power supplies with multiple outputs, optimized efficiency, and cost-effective design.
The high-performance surveillance camera interactive block diagram features an MPU design with DRP-AI, delivering powerful AI processing and energy efficiency.
AI-Enabled Surveillance Camera
AI-powered surveillance camera with DRP-AI boosts security with 4K imaging and low power.
E-Bike System with Scalability for Continuous Feature Expansion Block Diagram
E-Bike System
A complete e-bike system with advanced MCUs, power, and BMS devices extends travel and enhances control.
Video IP Phone Block Diagram
Video IP Phone
Video IP phone design with Hi-Fi audio, noise cancellation, touch display, and versatile connectivity.
Voice Over Power Line Communication Block Diagram
Voice Over Power Line Communication
Renesas' PLC modem technology enables efficient voice transmission over low-voltage power lines.
48V BLDC Motor Position Control Block Diagram
48V BLDC Motor Position Control
Efficient BLDC motor system with precise control, rapid wake-up, and seamless component integration.

Applied Filters: