Skip to main content
Renesas Electronics Corporation

Features

  • < 100mW core power (at 3.3V)
  • < 0.5ps RMS phase jitter (typical)
  • Meets PCIe® Gen 1–4, USB 3.0, 1/10 GbE clock requirements
  • Supports both crystal (8MHz – 40MHz) and external clock input (1MHz – 350MHz)
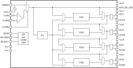
  • 4 universal output pairs: LVPECL, LVDS, HCSL, or 8 LVCMOS outputs
  • 4 independent frequencies with 0.001MHz – 350MHz output range
  • Reference output
  • 1.8V/2.5V/3.3V core and output voltages
  • 2 programmable I²C addresses allowing multiple devices to be used in the same system
  • Up to 4 different configuration sets in OTP non-volatile memory
  • Supported by the Renesas IC Toolbox (RICBox) software tool
  • Quick sampling and customization process supported by online form submission
  • 4mm x 4mm 24-VFQFPN wettable flank package
  • AEC-Q100 qualified
  • -40°C to +105°C operating temperature range

Description

The 5P49V60 is a member of Renesas' VersaClock® 6E programmable clock generator family. The 5P49V60 is intended for automotive applications such as infotainment, dashboard, video processing, and in-vehicle networking, as well as applications based on PCI-Express or USB 3.0. The reference clock can come from one of the two redundant clock inputs. A glitchless manual switchover function allows one of the redundant clocks to be selected during normal operation.

Configurations may be stored in on-chip One-Time Programmable (OTP) memory or changed using the I²C interface.

This device is factory-configurable.
Try the Custom Part Configuration Utility.

Parameters

AttributesValue
App Jitter CompliancePCIe Gen1, PCIe Gen2, PCIe Gen3, PCIe Gen4, PCIe Gen5
Outputs (#)5
Output TypeLVCMOS, LVPECL, HCSL, LVDS
Output Freq Range (MHz)1 - 350
Input Freq (MHz)1 - 350
Inputs (#)2
Input TypeCrystal, LVCMOS, LVPECL, LVDS, HCSL
Output Banks (#)4
Core Voltage (V)1.8V, 2.5V, 3.3V
Output Voltage (V)1.8V, 2.5V, 3.3V
Product CategoryVersaClock 6E, Low Jitter Clocks (<700 fs RMS), Automotive Timing, General Purpose Clocks, Programmable Clocks
Selection Criteria<700 fs RM

Package Options

Pkg. TypePkg. Dimensions (mm)Lead Count (#)Pitch (mm)
VFQFPN4.0 x 4.0 x 0.9240.5

Application Block Diagrams

Full Digital Cluster Solution with AHL Block Diagram
Cost-Effective Digital Cluster with 4-channel AHL and Surround View
Digital clusters boost safety by centralizing info and reducing costs with AHL and efficient PMICs.
Connected Android Cluster Block Diagram
Connected Android-Based Vehicle Instrument Cluster
Android-based automotive cockpit with wireless connectivity and real-time displays.
Communication gateway and integrated DVR/DMS system block diagram featuring a high-performance R-Car S4 for CoGW and R-Car M3 SoC and RH850 MCU.
Communication Gateway & Integrated DVR/DMS System
Integrated automotive gateway merging CoGW with DVR/DMS video processing.
Automotive Cockpit Solution with Haptics Block Diagram
Automotive Cockpit System with Haptics
Advanced cockpit system with next-generation haptics, BroadLED driver, and PMIC.
Tire Pressure Monitoring System Block Diagram
Tire Pressure Monitoring System
Low-power Bluetooth LE TPMS design with integrated PMIC for cost, size, and development time reduction.
Parking Assistance System with AHL Camera Block Diagram
Parking Assistance System with AHL Camera
Automotive parking camera system with HD analog link cuts cabling cost and maintains zero latency.
Connected Gateway for Future E/E Architecture Block Diagram
Connected Gateway for Future E/E Architecture
Renesas enables advanced E/E vehicle architecture with R-Car SoC, MCU, real-time tasks, and connectivity support.
ADAS Front Camera Solution Block Diagram
ADAS Front Camera System
Scalable ADAS front camera system with NCAP-ready features and high-efficiency deep learning performance.
High-End Cockpit & Infotainment Solution Block Diagram
High-End Cockpit & Infotainment Solution
This device is factory-configurable.
Try the Custom Part Configuration Utility.

Applied Filters: