Skip to main content

USB-C & Power Delivery

240W USB-PD Extended Power Range with Advanced Safety

Renesas' USB-C® and USB Power Delivery (USB PD) family is built on the USB PD standard and includes related products such as USB PD controllers, DC/DC converters, and port protection ICs to simplify component selection for customers. As demand for USB-charged devices grows, USB PD increases the maximum DC power supply capacity from 7.5W in earlier USB standards to 240W (48V at 5A), a 32-fold improvement. However, higher power levels also increase the risk of damage, ignition, or fire caused by non-compliant USB accessories such as cables.

Renesas addresses these safety concerns with integrated protection features that help ensure system reliability and standards compliance. USB PD solutions support high-efficiency power delivery, enabling faster charging, compact form factors, and reduced thermal stress in end systems.

Our USB-C and Power Delivery technologies are designed to meet the evolving needs of consumer, industrial, and computing applications by delivering scalable power and high-speed data capabilities in a unified interface.

 

Comprehensive USB-C & USB PD Portfolio

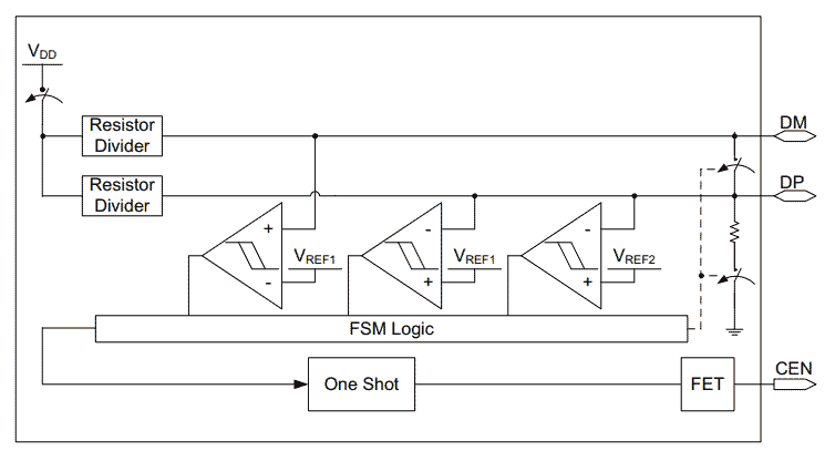
Renesas integrates port protection to increase advanced functionality and safety while reducing BOM cost and design complexity.

High-Efficiency 240W EPR Solutions

Renesas leads in 240W USB-PD Extended Power Range (EPR) solutions with efficient 3-level DC/DC that reduce heat, size, and component needs for emerging applications.

USB-IF Certified Reference Designs

Reference designs with USB-IF certification and integrated firmware help accelerate development and reduce time-to-market.

Product Selector: USB-C & Power Delivery

Explore our catalog of products through our parametric product selector tool. Compare specifications across various parameters to find the right part for your design.

Product Selector

Documentation

Applications

News & Blog Posts

Tools & Resources