Skip to main content
Renesas Electronics Corporation

Features

  • Meets proposed mandatory federal efficiency standards for external power supplies
  • AccuSwitch™ - Integrated 800V power bipolar junction transistor (BJT)
  • Adaptively controlled soft start-up - Fast yet smooth start-up into large capacitive loads
  • Optimized for 5W output power range capable
  • Easily meets Energy Star® AC-DC power supply efficiency specs (Rev. 2.0)
    • Less than 30mW no-load power consumption
  • PrimAccurate™ - Primary-side control, no optocoupler needed
  • Quasi-resonant control for optimal efficiency
  • EZ-EMI™ design to easily meet global EMI specifications
  • 64kHz PWM switching frequency
  • Fully protected from fault conditions:
    • Over-temperature protection
    • Output overvoltage and overcurrent
    • Sense-resistor short circuit protection

Description

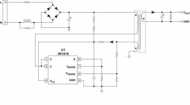
Integrated with a highly accurate control circuit, the iW1816 operates in a quasi-resonant mode allowing it to easily meet global energy efficiency standards, with less than 30mW of no-load power consumption.

The iW1816 includes an adaptive soft-start circuit that intelligently controls start-up over a range of output voltages from 5V to 12V and higher, and into capacitive loads up to 6000µF, making it ideal for applications such as smart meters, home appliances and networking equipment. The iW1816 also incorporates Renesas' PrimAccurate™ primary-side digital control algorithms that enable a fully isolated solution without the need for an optocoupler, reducing cost and solution size while greatly improving reliability. Additional functionality includes full protection from over-temperature, overvoltage and overcurrent conditions as well as EZ-EMI® design techniques to allow for a solution that easily meets global EMI specifications.

Parameters

AttributesValue
Topology CharacteristicFlyback
Control ModePrimary-Side Regulation Peak Current Mode DCM
UVLO Rising (V)11
UVLO Falling (V)4
VBIAS (Max) (V)16
PWMs (#)1
Output Power Max (W)5
Switching Frequency (KHz)64 - 64
No Load Power (mW)30
Controller / IntegratedIntegrated
Advanced FeaturesAccuSwitch, EZ-EMI, PrimAccurate
Temp. Range (°C)-40 to +125°C
Qualification LevelStandard

Package Options

Pkg. TypeLead Count (#)Pitch (mm)
SOIC-771.27

Application Block Diagrams

Smart heat pump block diagram features a high-performance and cost-optimized dual motor control system, a pressure sensor, and Wi-Fi, Bluetooth, and optional LTE-M/NB-IoT connectivity.
Smart Heat Pump
Energy-efficient heat pump design with high-performance dual motor control and IoT connectivity.
Zero Standby Power Wi-Fi SMPS Block Diagram
Wi-Fi-Connected Switch Mode Power Supply (SMPS)
Wi-Fi and Bluetooth Low Energy SMPS enables ultra-low or zero standby power for efficient smart home devices.
The smart lock platform designed to support Aliro features NFC, Bluetooth, Wi-Fi, optional UWB connectivity, and LTE connectivity, and can be powered by disposable primary cell batteries or a li-ion battery rechargeable via NFC wireless charging.
Mid-Range Smart Lock Designed to Support Aliro – New In-Development Standard
The smart lock platform is designed to support Aliro and offers secure access and optimized power usage.
9-axis industrial motor control block diagram features an MPU with dual Arm Cortex-R52 and quad Arm Cortex-A55 cores and supports major industrial Ethernet protocols.
9-Axis Industrial Motor Control with Ethernet
High-precision and efficient 9-axis motor control designed for robotics and industrial applications.
AC Drive & General Purpose Inverter System Block Diagram
AC Drive & General Purpose Inverter System
This system provides a basic configuration and essential components for AC drives and general purpose (GP) inverters.
High-End Controller for Predictive Maintenance Block Diagram
e-AI-Ready GUI Controller for Appliances and Industrial Systems
The e-AI-ready HMI controller offers smart control with AI, predictive maintenance, and rich connectivity.
Smart Heat Pump Controller Block Diagram
Smart Heat Pump Controller
Smart controllers offer remote access, energy monitoring, and smart home integration for heat pumps.
3.6kW bidirectional digital power PFC system block diagram utilizes a high-performance Arm Cortex MCU designed to support advanced 650V GaN FETs.
Digital Power System
High-efficiency digital power systems for EV, energy, and industrial applications.
Industrial motor control system block diagram features an MPU and MCU for mutual monitoring, power supply ICs, and delta-sigma modulators.
Motor Control System with Industrial Network and Functional Safety
This motor control system integrates MPU and MCU for efficient industrial motor control and networking.
Motor control with resolver block diagram features resolver position control for both stepper motor systems and alternative BLDC motor systems.
Motor Control with Resolver
Resolvers enhance motor control precision, reliability, and reduce costs in stepper and BLDC motor systems.

Additional Applications

  • Smart meters
  • Motor control
  • Networking devices
  • Home automation and appliances

Applied Filters: