Skip to main content

Features

  • On-chip coil sensor
  • Low noise density: En = 50nV/√Hz at 10Hz
  • Low supply voltage: VS = 2.7V to 3.6V
  • Temperature range: -40°C to +105°C
  • Small 16 Ld TSSOP package

Description

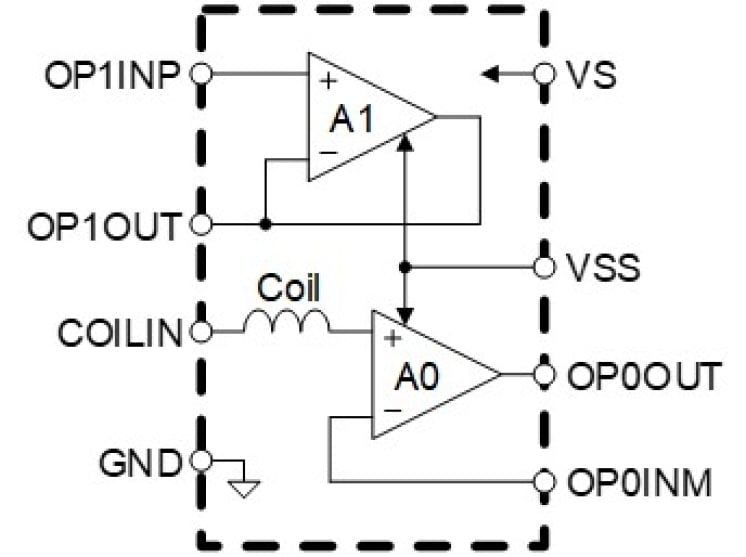
The RAA788000 is a low-power, power-line current sensor for contactless AC current measurements in the range of 2A to 5000A. The device consists of an on-chip Rogowski coil, a buffer amplifier, and a signal amplifier.

From an alternating power-line current, the magnetic flux flows through the on-chip coil, generating an electromotive force (EMF) that is amplified and filtered by a signal amplifier.

The amplifier output is typically fed into an analog-to-digital converter with a subsequent signal processor that calculates the current magnitude.

The RAA788000 operates from a single 2.7V to 3.6V supply. The device is available in a small 16 Ld TSSOP package and has an operation specified for the temperature range from -40°C to +105°C.

The RAA788000 is available in a 16 Ld thin shrink small outline package (TSSOP).

Parameters

AttributesValue
Outputs (Max) (#)1
Output Voltage (Min) (V)0.01
Output Voltage (Max) (V)3.6
Integrated MOSFET Driver (s)No
Input Voltage (Min) (V)2.7
Input Voltage (Max) (V)3.6
Qualification LevelStandard

Package Options

Pkg. TypePkg. Dimensions (mm)Lead Count (#)Pitch (mm)
TSSOP5.0 x 4.4 x 0.00160.7

Application Block Diagrams

Photovoltaic (PV) Arc Detection System Block Diagram
Photovoltaic (PV) Arc Detection System
Real-time PV arc detection system minimizes fire risks with fast, accurate fault identification.
Smart 3-Ph E-Meter Block Diagram
Smart 3-Ph E-Meter
Smart 3-phase e-meter with bidirectional communication and tamper detection for modern grids.

Additional Applications

  • Power-line current measurements
  • Watt meters

Applied Filters: