Skip to main content
Renesas Electronics Corporation

Features

  • ±2% VADJ accuracy guaranteed over line, load and TJ = -40°C to +125°C
  • Very low 212mV dropout voltage at VIN = 4.5V
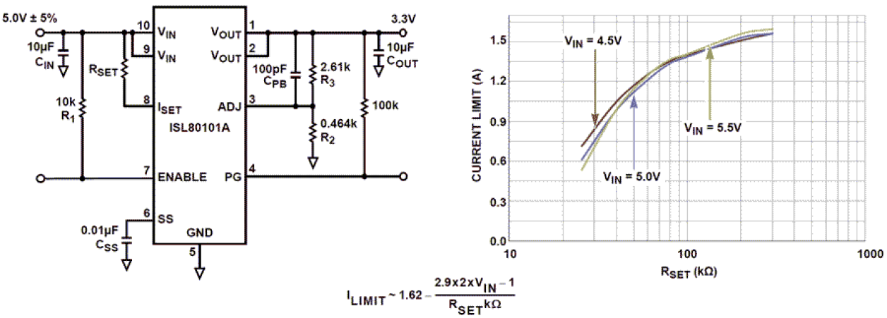
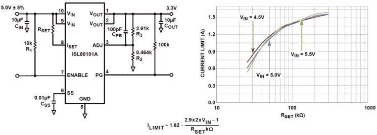
  • High accuracy current limit programmable up to 1.75A
  • Very fast transient response
  • 100μVRMS output noise
  • Power-good output
  • Programmable soft-start
  • Over-temperature protection
  • Small 10 Ld DFN package

Description

The ISL80101A is a low dropout voltage, single output LDO with programmable current limiting. This LDO operates from input voltages of 2. 2V to 6V, and is capable of providing output voltages of 0. 8V to 5V. Other custom voltage options are available upon request. A submicron BiCMOS process is utilized for this product family to deliver the best-in-class analog performance and overall value. The programmable current limiting improves system reliability of end applications. An external capacitor on the soft-start pin provides an adjustable soft-starting ramp. The ENABLE feature allows the part to be placed into a low quiescent current shutdown mode. This CMOS LDO will consume significantly lower quiescent current as a function of load compared to bipolar LDOs, which translates into higher efficiency and packages with smaller footprints. Quiescent current is modestly compromised to achieve a very fast load transient response.

Parameters

AttributesValue
Input Voltage (Min) (V)2.2
Input Voltage (Max) (V)6
Output Voltage (Min) (V)0.8
Output Voltage (Max) (V)5
Output Current 1 (Max) (A)1
Drop Out Voltage (Typical)90 @ 1A
Fixed Output Voltage OptionYes
PSRR (db)48
Noise (10Hz to 100kHz) (μVrms)53
Noise (100Hz to 100kHz) (μVrms)53
Qualification LevelStandard

Package Options

Pkg. TypePkg. Dimensions (mm)Lead Count (#)Pitch (mm)
DFN3.0 x 3.0 x 0.90100.5

Application Block Diagrams

Interactive block diagram of the flexible battery system supports 2-7 Li-ion cells and enables direct charging from USB-C ports and power bank functionality.
240W USB Type-C Battery System
This flexible battery system supports 2-7 Li-ion cells, USB-C charging, and power bank functionality.
Automated optical inspection block diagram utilizes a powerful MPU and M.2 Type E Wi-Fi/Bluetooth module featuring 4x4 MIMO antenna.
Automated Optical Inspection (AOI)
Powerful MPU with DRP-AI and Wi-Fi 6 support for high-speed, low-latency AOI systems.
4-20mA Current Loop Receiver Block Diagram
4-20mA Current Loop Receiver
The 4-20mA current loop receiver offers low power and signal processing features for sensor systems.

Additional Applications

  • Telecommunications and Networking
  • Medical Equipment
  • Instrumentation Systems
  • USB Devices
  • Gaming
  • Routers and Switchers

Applied Filters: