Skip to main content
Renesas Electronics Corporation

Features

  • Active noise cancellation
    • Support hybrid, feedforward, and feedback topologies
    • 40dB cancellation at 200Hz
    • 5.2µs microphone input to headphone output latency through fast equalization (FEQ)
    • 25µs microphone input to headphone output latency through DSP
    • Automated calibration and tuning tools
  • Power management
    • 4.3mW stereo music playback quiescent power consumption
    • 11mW stereo hybrid ANC playback power consumption at 0.1mW
  • Digital audio interfaces
    • Up to 32-bit 384kHz sample rate support
    • Three stereo pulse density modulation (PDM) inputs for digital microphones and/or low latency connection from host processors
  • Stereo differential headphone path
    • 115dB dynamic range
    • Output power 2 x 30mW into 32Ω
  • Input paths
    • Four single-ended or two differential microphone/line-inputs
    • 110dB dynamic range
    • Integrated dual low-noise microphone bias
  • Pop-free startup and shutdown
  • Digital signal processor
    • Dual 98MHz DSPs
    • 192kHz, low delay active noise canceller (ANC) DSP
    • Dedicated 6MHz fast equalization path
    • 48kHz/192kHz, music and voice DSPs
    • Fully flexible digital mixing with independent gains
  • Bypassable asynchronous sample rate converters
  • Clocking
    • Fract-N phase-locked loop
    • Sample rate tracking
    • Internal oscillator
    • MCLK free operation
  • 2-wire I2C-compatible control interface
  • Temperature range -40 °C to +85 °C
  • 32-ball 3.42mm x 1.77mm 0.4mm pitch WLCSP

Description

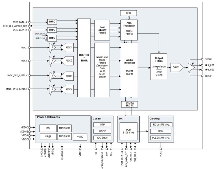
Renesas' DA741x family is a high-performance, ultra-low power Hi-Fi codec with hybrid active noise cancellation (ANC) for hearables, and USB-C™ and Bluetooth® headphone, headset, and hearable applications.

With high-performance playback and record paths, the DA741x family is designed for high dynamic range and minimum latency. Two integrated, individually operatable, digital signal processors are provided. The first, running at 192kHz, is dedicated to noise cancellation applications while the second, running at 48kHz or 192kHz, can perform music and voice processing such as equalization, limiting, mixing, beamforming, and gain control. A dedicated fast equalization (FEQ) path, operating at the digital microphone (DMIC) clock rate, delivers improved high-frequency noise cancellation with ultra-low latency. The device supports four ADCs which enables the use of up to four analog microphones (AMIC) or 6 digital microphones (DMIC).

The DA741x is a family of high-performance, ultra-low-power, Hi-Fi codecs for USB-C and Bluetooth headphone (HP), headset, or hearable applications. The family consists of two devices. The DA7414 supports stereo output and the DA7413 supports mono output. Both devices share the same driver and are compatible with each other.

Parameters

AttributesValue
ADC SNR A-weighted support(dB) @ 48kHz95 @ 1.8V
DAC SNR A-weighted support(dB) @ 48kHz115 @ 1.8V
Power Consumption During Record2.9mW @ 1.8V
Power Consumption During Playback6.9mW @ 1.8V
Headphone Power Output1 x 30mW into 32Ω @ 1.8V
Audio Interface4-wire
Advanced FeaturesHybrid Active Noise Cancellation, Audio Processing Unit

Package Options

Pkg. TypePkg. Dimensions (mm)Pitch (mm)
32-WLCSP3.42 x 1.770.4

Application Block Diagrams

Block diagram of the scalable HMI design for household appliances enables interaction through capacitive touch, voice commands, and wireless connectivity via Wi-Fi or Bluetooth LE.
Advanced Low-Power Wireless HMI for Household Appliances
Advanced low-power HMI with Wi-Fi 6 and Bluetooth 5.1 enables seamless smart appliance control.
Interactive block diagram of the high-end central thermostat features ultra-low power wireless modules, an MPU with 3D graphics engine, and a high-performance Hi-Fi codec with hybrid ANC.
High-End Central Thermostat
Central thermostat system integrates satellite thermostats for smart climate control and efficiency.

Additional Applications

  • Wireless (Bluetooth) mono earbuds
  • Wired (USB-C) over- and on-ear headphones
  • Wired/Wireless microphones

Applied Filters: