Features
- Standard and A speeds
- Low input and output leakage ≤1µA (max.)
- CMOS power levels
- True TTL input and output compatibility: VOH = 3.3V (typ.); VOL = 0.3V (typ.)
- Meets or exceeds JEDEC standard 18 specifications
- Power off disable outputs permit "live insertion"
- Available in a 20-pin SOIC package
Description
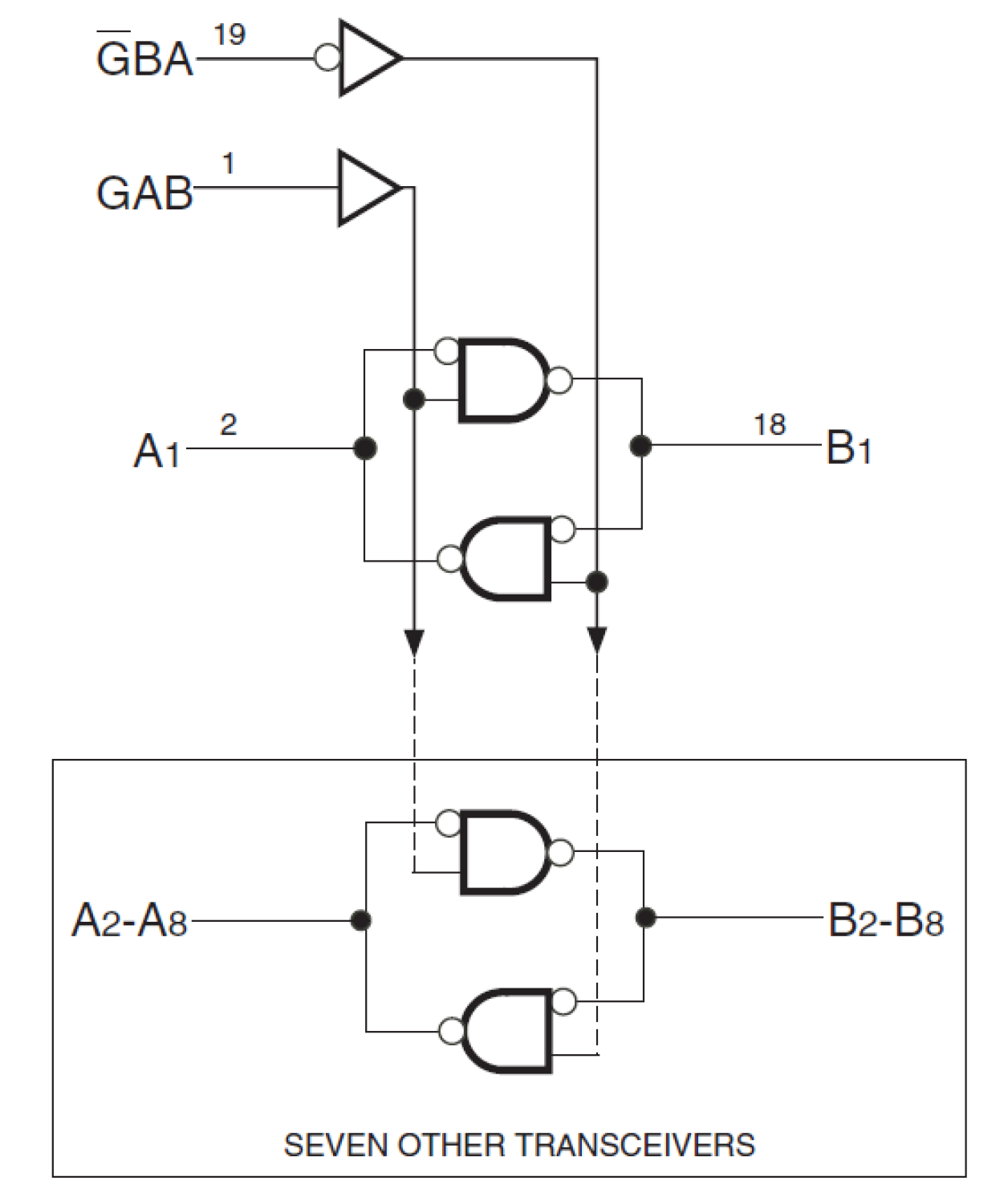
The 74FCT621T is an octal transceiver with non-inverting open-drain bus compatible outputs in both send and receive directions. The B bus outputs are capable of sinking 64mA, providing very good capacitive drive characteristics. The 74FCT621A is designed for asynchronous two-way communication between data buses. The device operates at -40 °C to +85 °C.
Parameters
| Attributes | Value |
|---|---|
| Function | Transceiver |
| Pkg. Code | PSG20 |
| Temp. Range (°C) | -40 to 85°C |
| Bus Width (bits) | 8 |
| Core Voltage (V) | 5 |
| Speed Grade | A |
Package Options
| Pkg. Type | Pkg. Dimensions (mm) | Lead Count (#) | Pitch (mm) |
|---|---|---|---|
| SOIC | 12.8 x 7.6 x 2.34 | 20 | 1.27 |
Applied Filters:
Loading