メインコンテンツに移動

特長

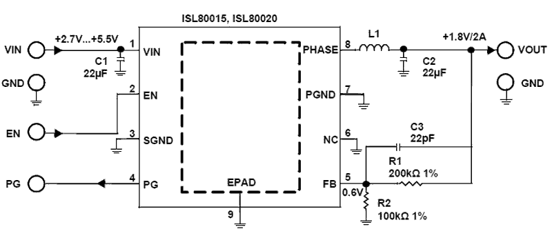
  • VIN range 2.7V to 5.5V
  • IOUT maximum is 1.5A or 2A
  • Switching frequency is 1MHz or 2MHz
  • Overcurrent and short circuit protection
  • Over-temperature/thermal protection
  • Negative current protection
  • Power-good and enable
  • 100% duty cycle (1MHZ)
  • Internal soft-start and soft-stop
  • VIN undervoltage lockout and VOUT overvoltage protection
  • Up to 95% peak efficiency

説明

The ISL80020, ISL80020A, ISL80015 and ISL80015A are highly efficient, monolithic, synchronous step-down DC/DC converters that can deliver up to 2A of continuous output current from a 2. 7V to 5. 5V input supply. They use peak current mode control architecture to allow very low duty cycle operation. They operate at either 1MHz or 2MHz switching frequency, thereby providing superior transient response and allowing for the use of small inductors. They have excellent stability. The ISL80020, ISL80020A, ISL80015 and ISL80015A integrate very low rDS(ON) MOSFETs in order to maximize efficiency. In addition, since the high-side MOSFET is a PMOS, the need for a Boot capacitor is eliminated, thereby reducing external component count. They can operate at 100% duty cycle (at 1MHz). The device is configured in PWM (pulse width modulation) for fast transient response, which helps reduce the output noise and RF interference. These devices are offered in a space saving 8 pin 2mmx2mm TDFN lead free package with exposed pad for improved thermal performance. The complete converter occupies less than 64mm2 area.

パラメータ

属性
Topology [Rail 1]Buck
Outputs (#)1
Input Voltage (Min) [Rail 1] (V)2.7
Input Voltage (Max) [Rail 1] (V)5.5 - 5.5
Output Voltage (Min) [Rail 1] (V)0.6
Output Voltage (Max) [Rail 1] (V)5.5
Output Current (Max) [Rail 1] (A)2
Switching Frequency Range (Typical) (kHz)800 - 1200
Control TypeCurrent Mode
Peak Efficiency (%)95
IQ [Rail 1] (µA)7000
SYNCH CapabilityNo
Qualification LevelStandard
Temp. Range (°C)-40 to +125°C
Simulation Model AvailableN/A

パッケージオプション

Pkg. TypePkg. Dimensions (mm)Lead Count (#)Pitch (mm)
TDFN2.0 x 2.0 x 0.7580.5

アプリケーション・ブロック図

High-End Appliance HMI with Large Display, Connectivity & PMIC Power System Block Diagram
家電製品用ヒューマンマシンインタフェース(HMI)
ディスプレイ、タッチ、音声、NFCオプションを備えたスマート家電向けのカスタマイズ可能なHMIシステム。
Power Sequencer & I/O Expander for Printers (PPC/MFP) Block Diagram
プリンタ (PPC/MFP) 用パワーシーケンサ & I/Oエキスパンダ
高性能PPC/MFPプリンタ用のMCUベースのパワーシーケンサ & I/Oエキスパンダ。
Off-road GPS Guidance System Block Diagram
オフロードGPS誘導システム
高精度のGPS/GNSSシステムは、農業機械や産業機械の正確なナビゲーションを提供します。
High-Speed 5G to Wi-Fi Converter for CPE Block Diagram
CPE用高速5G-Wi-Fiコンバータ
デュアルバンド 4T4R Wi-Fi 6 で 5G を Wi-Fi に変換し、5G ルーターや効率的なネットワーキングに最適です。
Genoa Server Block Diagram
AMD第4世代EPYC (Genoa) パワー&タイミングシステム
SVI3、DDR5、PCIe Gen 5/6をサポートするAMD Genoa向けの完全な電源およびタイミングシステム。
Wireless Electronic Gaming Table Block Diagram
ワイヤレス接続型アーケードゲーム機
柔軟なWi-Fi 6システムは、3000Mbps、4x4 MIMO、デュアルバンド対応、シームレスな統合機能を提供します。
Iris Scanning Security System Block Diagram
虹彩スキャンセキュリティシステム
虹彩スキャンは、高セキュリティ環境向けの生体認証のセキュリティと精度を向上させます。
Edge Computing for Security Systems Block Diagram
セキュリティシステム用エッジコンピューティング
このエッジコンピューティング設計により、安全なローカル処理、堅牢な接続性、スケーラブルで信頼性の高いシステムが保証されます。

適用されたフィルター