特長
- コアパワー100mW未満(3.3V時)
- RMS位相ジッタ0.5ps未満 (標準値)
- PCIe Gen 1/2/3/4/5スペクトラム拡散オフ
- PCIe Gen 1/2/3/4スペクトラム拡散オン
- 1/10GbE、USB3.0
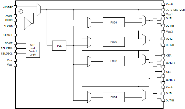
- 3組のユニバーサル出力:LVPECL、LVDS、HCSL、または6つのLVCMOS出力
- 0.001MHz~350MHz 出力範囲での3つの独立した周波数
- LP-HCSL出力4コピー追加(独立周波数)
- 基準出力
- 1.8V / 2.5V / 3.3Vのコア電圧と出力電圧
- 2つのプログラマブルI²Cアドレスにより、同じシステムで複数のデバイスを使用可能
- OTP不揮発性メモリに最大4種類のコンフィギュレーションセットを保存可能
- Renesas IC Toolbox (RICBox)ソフトウェアツールによる対応
- オンラインフォームよる迅速なサンプリングとカスタマイズプロセス
- 5 x 5 mm 40-VFQFPNパッケージ
- 動作温度範囲 -40°C~+85°C
説明
カスタムプログラムユーティリティをお試しください。
パラメータ
| 属性 | 値 |
|---|---|
| Diff. Outputs | 7 |
| App Jitter Compliance | PCIe Gen1, PCIe Gen2, PCIe Gen3, PCIe Gen4, PCIe Gen5 |
| Outputs (#) | 9 |
| Output Type | LVCMOS, LVPECL, HCSL, LVDS, LP-HCSL |
| Output Freq Range (MHz) | 1 - 350 |
| Input Freq (MHz) | 1 - 350 |
| Inputs (#) | 2 |
| Input Type | Crystal, LVCMOS, LVPECL, LVDS, HCSL |
| Output Banks (#) | 4 |
| Core Voltage (V) | 1.8V, 2.5V, 3.3V |
| Output Voltage (V) | 1.8V, 2.5V, 3.3V |
パッケージオプション
| Pkg. Type | Pkg. Dimensions (mm) | Lead Count (#) | Pitch (mm) |
|---|---|---|---|
| VFQFPN | 5.0 x 5.0 x 0.9 | 40 | 0.4 |
製品比較
アプリケーション・ブロック図
| RZ MPU用SMARC SoM SMARC 2.1を搭載したコンパクトなRZ SoMは、高速インタフェース、AI、堅牢なセキュリティ、スケーラビリティを提供します。 |
フィルター
ソフトウェア/ツール
サンプルコード
シミュレーションモデル
The VersaClock® 6E programmable clock generator devices offer a combination of low power, flexibility and performance for a wide range of applications. These features make it ideal for simplifying system design by replacing multiple discrete timing components and reducing bill of materials (BOM). The VersaClock 6E supports operating voltages from 1.8 to 3.3 V, differential (LVPECL/HCSL/LVDS/LP-HCSL) and LVCMOS output types, and fractional dividers to accurately generate virtually any frequency. Products satisfy system requirements from oscillator replacement to PCIe® Gen 1/2/3 and to communications applications, while consuming very little power.
For more information about VersaClock 6E, visit the VersaClock Programmable Clocks page.
This video provides an overview of the Renesas VersaClock® 6, highlighting its key features within the programmable clock generator family. Discover how VersaClock® 6 combines low power consumption with high flexibility and performance, simplifying system design by replacing multiple discrete timing components.
IDT provides a brief overview of the timing solutions optimized for various configurations using the NXP (Freescale) QorIQ / Layerscape processors.
Resources
IDT provides a brief tutorial on the timing solutions required for NXP (Freescale) QorIQ / Layerscape processor-based systems.
Presented by Ron Wade, PCI Express timing expert.