メインコンテンツに移動

特長

  • 4.5V to 24V input supply range
  • Up to 3A output current
  • Integrated high-side (85mΩ) and low-side (45mΩ) MOSFETs
  • 1.4MHz switching frequency
  • 400μA quiescent current
  • Minimum on-time of 66ns
  • Minimum off-time of 250ns
  • 0.6V reference voltage with 2% accuracy
  • PFM mode under light-load condition
  • Current mode Constant On-Time (COT) control with internal compensation
  • Internal 1.2ms soft-start time
  • Protection: Low-Side Overcurrent (LSOC) limit, input Undervoltage Lockout (UVLO), Over-Temperature Protection (OTP), Output Undervoltage Protection (OUVP) with Hiccup Mode
  • Accurate EN threshold
  • 6 LD TSOT23 package

説明

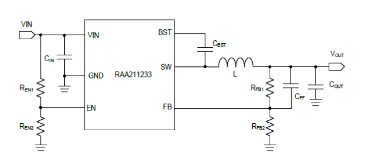
The RAA211233 is an integrated 24V, 3A, 1.4MHz synchronous buck regulator with current mode constant on-time (COT) control. 

The RAA211233 features comprehensive protection including input undervoltage lockout (UVLO), overcurrent protection (OCP), output undervoltage protection (OUVP), and over-temperature protection (OTP). The device is available in a 6 Ld TSOT23 package.

The device is available in a 6 Ld TSOT23 package.

製品比較

RAA211233 RAA211230
AC Input Voltage Range
Input Voltage (Min) (V) 4.5 4.5
Output Voltage (Max) (V) 11 14
Noise (10Hz to 100kHz) (μVrms)

パラメータ

属性
Topology [Rail 1] Buck
Outputs (#) 1
Input Voltage (Min) [Rail 1] (V) 4.5
Input Voltage (Max) [Rail 1] (V) 24 - 24
Output Voltage (Min) [Rail 1] (V) 0.6
Output Voltage (Max) [Rail 1] (V) 11
Output Current (Max) [Rail 1] (A) 3
Switching Frequency Range (Typical) (kHz) 1380 - 1380
Control Type COT
Peak Efficiency (%) 96
IQ [Rail 1] (µA) 400
SYNCH Capability No
Qualification Level Standard
Temp. Range (°C) -55 to +125°C
Simulation Model Available iSim

パッケージオプション

Pkg. Type Pkg. Dimensions (mm) Lead Count (#) Pitch (mm)
TSOT 2.9 x 1.6 x 0.87 6 1

アプリケーション・ブロック図

Interactive block diagram of the turntable system features a low-power MCU and RIAA preamp.
ターンテーブルシステム
このターンテーブルシステムは、正確なモータとオーディオ制御のための低消費電力MCUとRIAAプリアンプを備えています。
Interactive block diagram of the low-power servo design features a flash-based MCU and allows to drive up to 75W motors with precise control.
小型BLDCモータサーボ
BLDCモータサーボは、正確で効率的な統合制御により、最大75Wのモータを駆動します。
Smart Solar Tracking and Cleaning System Block Diagram
スマートソーラートラッキングおよびクリーニングシステム
ソーラーパネルトラッカは、最適化された露出、自動クリーニング、クラウド接続により効率を向上させます。

その他アプリケーション

  • General purpose
  • Industrial power supplies
  • Embedded systems and I/O supplies
  • Sensor, imaging, and radar
  • Instrumentation, medical, audio, and RF power supplies

適用されたフィルター