特長
- 入力範囲:+4.5V〜+18V
- 60A DC電流に対応
- 3.3V対応トライステートPWM入力搭載のISL99227
- 5.0V対応トライステートPWM入力搭載のISL99227B
- ダウンスロープ電流センシング
- REFIN入力による±3%精度電流モニタ(IMON)
- 8mV/℃温度モニタ(OTフラグ付き)
- ローサイドFET専用制御入力
- 高信頼性システム用の包括的なフォルト保護
- ハイサイドFETの短絡・過電流保護
- 加熱の防止
- VCCおよびVIN低電圧ロックアウト(UVLO)
- オープンドレイン故障報告出力
- スイッチング周波数最大2MHz
- 鉛フリー(RoHS指令準拠)、32Ld 5x5 PQFN
説明
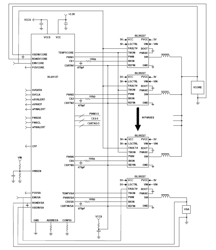
ISL99227とISL99227BはそれぞれISL68xxx/69xxxデジタル多相(DMP)コントローラと位相ダブラー(ISL6617A)に対応したスマートパワーステージ(SPS)です。 ISL99227とISL99227Bには高精度な電流・温度モニタを内蔵し、コントローラとダブラーにフィードバックされ、多相DC/DCシステムを完成させます。 DCRセンシングネットワークとそれに伴う熱補償を排除することで、設計を簡素化し、性能を向上させます。 専用のLFET制御ピンにより、軽負荷時の効率をサポートします。 業界をリードする熱強化型5x5 PQFNパッケージにより、プリント基板全体の面積を最小限に抑えることができます。 ISL99227とISL99227Bは3.3V対応、5.0V対応のトライステートPWM入力を備えており、多相PWMコントローラと連携して、異常動作時に堅牢なソリューションを提供します。 また、ISL99227とISL99227BはUVLO、過熱、過電流などの故障保護を内蔵しており、システムの性能と信頼性を向上させます。 オープンドレインの障害報告ピンはSPSとコントローラ間のハンドシェイクを簡素化し、起動時や障害発生時にコントローラを無効にするために使用することができます。
パラメータ
属性 | 値 |
---|---|
Output Current (Max) [Rail 1] (A) | 60 |
Input Voltage (Min) (V) | 4.5 |
Input Voltage (Max) (V) | 18 |
Bias Voltage Range (V) | 5 - 5 |
Switching Frequency (KHz) | 2 - 2 |
Qualification Level | Standard |
パッケージオプション
Pkg. Type | Pkg. Dimensions (mm) | Lead Count (#) | Pitch (mm) |
---|---|---|---|
PQFN | 5.0 x 5.0 x 0.61 | 32 | 0.5 |
適用されたフィルター
フィルター
ソフトウェア/ツール
サンプルコード
シミュレーションモデル
Introducing 12 new digital multiphase controllers and a companion smart power stage, including the industry's first digital solution with an Adaptive Voltage Scaling Bus (AVSBus™). Learn how these fully digital multiphase controller solutions can significantly speed up and simplify design time.
Related Resources
Transcript
Intersil has a very rich history when it comes to digital power, having developed a wide range of products from digital point-of-load to multiphase controllers. Intersil released 12 new multiphase controllers in 2016. This are our first digital multiphase controllers with a smart power stages. It's a complete solution to address the need of any core processor in the marketplace.
The 12 products span a wide range of unique application solutions. Basically anything in the marketplace, whether it's telecom, datacom or data center, we can address those high-current needs with this multiphase solution. The family makes up a couple of different ranges like x86, Intel-based, ARM-based, or even general purpose using AVSBus solutions.
Multiphase is used when you need really high currents. Typically, we're running from a 12V input to those low-voltage outputs (1V, 0.9V) and you really want to have 300A, 400A of high current levels. Multiphase achieves this by splitting up the current into individual phases to balance itself from a thermal standpoint, give you better transmit response, and a smaller size.
The problem using one phase is you have really large inductor, your FETs start becoming oversized, so overall you end up with a lower efficiency, larger solution space and more expensive solution. For best performance it's actually better to have everything split up into different phases.
Some applications can drive as much as 450A currents. Why not just stack multiple controllers in parallel? Well, that's one approach where people have tried putting different controllers in parallel and trying to drive to one common output. The problem is with these modern processors is you're also doing transient slew rates of 1000A/µs. If you try to drive it in parallel, they become out of balance. One device tries to source 200A. The other one tries to sync 200A. They fight each other. So the idea is you have one controller that drives all these phases together, such that they're all balanced and in tune.
1000A/µs is really fast so how is it accomplished? This is the advantage of digital multiphase! We use a patented control scheme that we call Synthetic Current Control. We actively manage the current at each phase, cycle by cycle and at any slew rate, we make sure every inductor, every phase is balance perfectly and does not overshoot or ring. We can deliver the current when and where it's needed.
The industry uses voltage control today. Why are we able to use current control? Historically, no one uses current control because the problem is the noise. You have these really small duty cycles as you convert to these low output voltages. To be able to measure the current accurately in the noisy environment is extremely difficult. Even though it's the best control scheme, it's not practical. This is where digital is able to overcome those analog limitations. We use a technique called synthetic current control. We actually synthesize every current waveform internally in the chip. So we get an accurate, cycle-by-cycle waveform that has the full bandwidth, noise-free, and zero latency.
Well, there's always latency and propagation delay as you move through the loop, for instance, going through the smart power stage. But what our device does is great, because we control synthetic current waveforms, we control a PWM clock. We can account for those delays. So over on our loop, by having a predictive nature in our device, we can actually make sure that we have zero latency overall in the control waveform. This gives us very precise current positioning.
The advantage of this loop then is zero latency and very fast transient response. Now the benefit of that is we can use less capacitance than any other solution in the marketplace. For these high-current rails, it's not uncommon to see 30% less capacitance translating into a smaller solution and lower BOM cost.
We released the ISL99227 which is a 60A smart power stage. Now, what that means is traditionally with multiphase controllers, you had external drivers and discrete MOSFETs. A power stage integrates all of those. What makes it smart is the fact that we now have current sensing and temperature sensing. So when you used to have to measure DCR, or even inductor to get your current information, we now have a differential signal going back to our controller that's accurately calibrated over line, load, and temperature, so we always know exactly the current per phase.
The smart power stage eliminates complex DCR networks and simplifies the design. You eliminate those RC components around the DCR, you've eliminated the mismatch and any of the errors that's introduced, and you've even removed one of those biggest noise sources. That phase node no longer couples in directly to that current waveform.
In our next video, we will show you the evaluation board and power navigator software.