Features
- Operating power supply voltage: 6V to 30V
- Operating temperature:
- RAJ306001 TA = -40°C to +85°C
- RAJ306001Z TA = -40°C to +105°C
- Low power consumption VM current (excluding 5V/7V regulator and charge-pump): [MCU block]: +5.2mA (HS Mode: fIH = 32MHz, VDD = 5V) [pre-driver block]: + 13.5mA [VM = 22.5V] VM standby current : 64µA (typ.)
Controller Functions
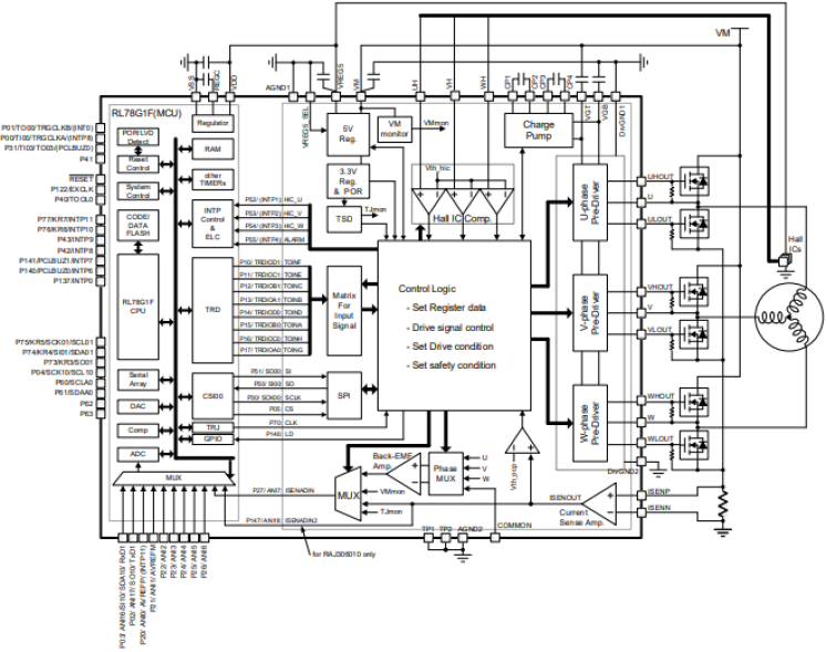
- CPU: 16-bit CISC CPU (RL78/G1F)
- Flash ROM: 64KB, Data Flash 4KB, RAM: 5.52KB
- GSI: 2 Ch, SPI, 2ch, IIc, 2ch, UART: 1ch
- Timers
- Timer array unit: 1 unit – 16-bit, 4ch
- Timer RD for motor control – 16-bit, 2ch
- Timer RG with encoding function – 16-bit, 1ch
- 64MHz motor control input capture timer (Timer RX)
- 10-bit resolution A/DC converter: 9ch
- GPIO : 28ch, port for input : 2ch
Pre-Driver Function
- 3 half-bridge gate drivers for 6 N-MOSFET
- Adjustable gate drive peak current up to 500mA
- Self-align deadtime generator function
- Built-in 5V regulator
- Selectable single/double boost charge pump for gate drive voltage (10V, 13V)
- Supports Hall sensored and sensorless motors
- Integrated 1-shunt current sense amplifier (adjustable gain)
- Integrated protection functions: UVLO, overtemperature, overcurrent, overvoltage, motor Lock for Hall IC type, alarm condition indicator
Description
RAJ306001 is general-purpose motor control IC for 3-phase brushless DC motor applications. The RAJ306001 has a built-in MCU (RL78/G1F) and a pre-driver in a single package. The pre-driver includes 3 half-bridge gate drivers, 5V regulator, a current sense amplifier, Hall IC comparators, back-EMF amplifier, and various protection functions.
Applied Filters:
Filters
Software & Tools
Sample Code
Simulation Models
Renesas simplifies safe and highly efficient sensor-less brushless DC motor control design with highly integrated motor control ICs for Industrial and household appliances. The easy-to-use ICs improve motor efficiency by 35%, reduce board size by 50%, and accelerate motor control application development.
The RAJ306000 is an All-in-one BLDC motor control solution from Renesas, for both hall sensor and sensorless operation. In this video we demonstrate the sensorless operation, along with many of the other features of our solution.