Features
- Minimized FET ON and OFF times (25ns and 50ns)
- Optional pseudo-random spread spectrum clocking
- High-efficiency buck exceeding 80% at 10mA
- Buck frequency options 400kHz or 2.2MHz
- Boost frequency options 400kHz or 2.2MHz (2.2MHz requires Buck frequency at 2.2MHz)
- VBATS sense for Boost Enable during Cold Crank
- Boost Bypass mode (for Buck in CCM)
- External synchronization via SYNC pin
- Dual Over-temperature protection monitors
- 6 x 6 mm 36Ld SC-QFN package
- AEC-Q100 grade 1 qualified
- Functional Safety Features
- Built-in Self Test (BIST) at power up
- Recurring Checks: Internal References, PWM clock, System Clock, PGND/AGND connection, Dual Over-Temperature monitor, ECM Exit Delay, VCC supply.
- Independent References and feedback sense paths for Buck and Boost OV/UV detection
- Independent Fault Indicators for Buck and Boost
- Fail-Safe Output, logic high indicates a trusted device state and all safety monitors are active.
Description
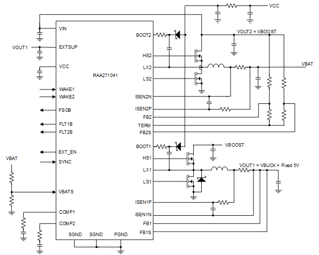
The RAA271041 is a controller for a dual regulator system capable of supporting ASIL-D automotive systems which must operate during battery dropout conditions. The Channel 2 boost regulator maintains the voltage rail which supplies the downstream Channel 1 buck regulator, allowing the buck output to maintain regulation during a battery dropout event such as cold cranking.
For Cold Crank applications, the Channel 2 Boost has an adjustable output and is active when the VBAT input voltage falls below a user-programmable threshold. If the VBAT input is above the user-programmed threshold, the boost controller features a Boost Bypass mode in which the boost channel’s high-side MOSFET is held on and the VBAT input voltage is passed directly to the boost output. The boost channel can also be configured as a standalone boost which is always on.
The boost output from Channel 2 supplies the input for Channel 1 buck. The buck output can be configured either as 3.3V or 5V fixed with a direct connection from FB1 to VOUT1, or as an adjustable voltage from 0.8V to 5V using a resistor divider from VOUT1 to FB1 to ground.
The RAA271041 requires a minimum input voltage of 6V for start-up. The Channel 2 Boost has an input range from 2.2V to 42V while the Channel 1 Buck has an input range from 3.5V to 42V.
The RAA271041 buck channel can operate in Energy Conservation Mode (ECM) to provide a low IQ mode by reducing quiescent current draw to 6μA typical when no external load is applied. The buck switching frequency is factory programmed to 400kHz or 2.2MHz. The boost switching frequency is also factory programmed to 400kHz, or can optionally be 2.2MHz if the buck frequency is also 2.2MHz. Optional spread spectrum operation allows for a reduction of EMI and noise levels.
See also the RAA271005. This product works together with the RAA271041 to support RCAR-S4.
Parameters
| Attributes | Value |
|---|---|
| Function | 2-ch PMIC |
| Outputs (#) | 2 |
| Input Voltage (Min) (V) | 2.2 |
| Input Voltage (Max) (V) | 42 |
| Output Current Max (A) | 20 |
| Battery Interface | No |
| Integrated Battery Charger | No |
| USB-Power Management | No |
| Switching Frequency (MHz) | 0.44 - 2.2 |
| GPIOs (#) | 5 |
| Bus Voltage (Max) (V) | 42 |
| Integrated step-down DC/DC Converter Channels (#) | 0 |
| Step-up DC/DC converter Channels (#) | 0 |
| Total step-down DC/DC converter channels (#) | 1 |
| Parametric Applications | Vehicle Computers, Communication Gateway, Domain Server, Application Server |
Package Options
| Pkg. Type | Pkg. Dimensions (mm) | Lead Count (#) | Pitch (mm) |
|---|---|---|---|
| SCQFN | 6.0 x 6.0 x 0.85 | 36 | 0.5 |
Application Block Diagrams
|
|
Automotive Communication Gateway Platform
Integrated automotive gateway platform with R-Car S4 SoC, multi-network support, and optimized power management.
|
Additional Applications
- Vehicle Computers
- Communication Gateway
- Domain Server
- Application Server
Applied Filters:
Filters
Software & Tools
Sample Code
Simulation Models
News & Blog Posts
Blog Post
Jul 26, 2024
|
Blog Post
Nov 28, 2023
|
Blog Post
Jul 2, 2021
|