Applied Filters:
Renesas Boards & Kits
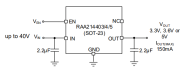
RTKA214404DE0000BU Active
3.6V Fixed Output Voltage Low Iq Current LDO Regulator Evaluation Board
The RTKA214404DE0000BU evaluation board is a simple platform for evaluating the RAA214404 low-dropout regulator (LDO). It provides a view of the SOT23 5-lead package and has footprints for both the SOT23 and SOT89 packages. However, only the SOT23 version is populated. To use the board, the user... Read More
Recommended Documents:
