Skip to main content
Renesas Electronics Corporation

Features

  • N-channel FET switches with no parasitic diode to VCC
    • Isolation under power-off conditions
    • No DC path to VCC or GND 
    • 5V tolerant in OFF and ON state
  • 5V tolerant I/Os
  • Low RON - 4Ω typical
  • Flat RON characteristics over operating range
  • Rail-to-rail switching 0V to 5V
  • Bidirectional dataflow with near-zero delay: No added ground bounce
  • Excellent RON matching between channels
  • VCC operation: 2.3V to 3.6V
  • High bandwidth - Up to 500MHz
  • LVTTL-compatible control inputs
  • Undershoot clamp diodes on all switch and control inputs
  • Low I/O capacitance, 4pF typical
  • Available in 16-pin QSOP and 14-pin SOIC packages

Description

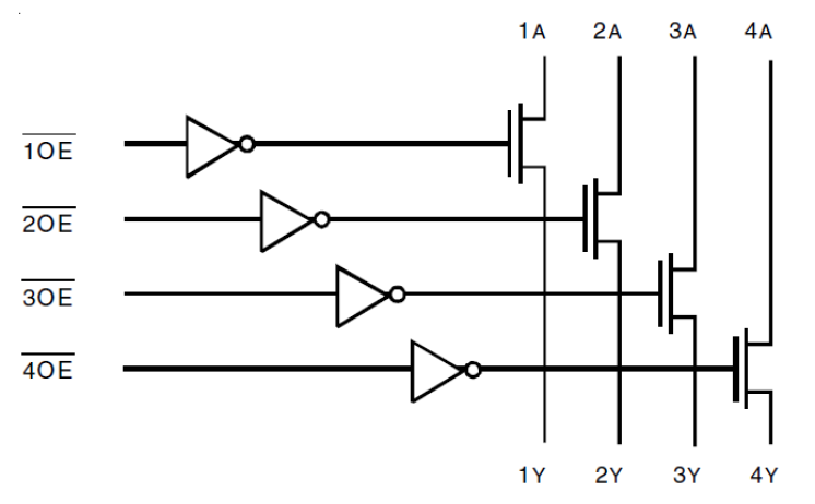
The QS3VH125 is a high-bandwidth, quad bus switch. The QS3VH125 has very low ON-resistance, resulting in under 250ps propagation delay through the switch. The switches can be turned ON under the control of individual LVTTL-compatible active low Output Enable signals for bidirectional data flow with no added delay or ground bounce. The combination of near-zero propagation delay, high OFF impedance, and overvoltage tolerance makes the QS3VH125 ideal for high-performance communications applications. The QS3VH125 operates from -40 °C to +85 °C.

Parameters

AttributesValue
FunctionBus Switch
Pkg. CodePCG16
Temp. Range (°C)-40 to 85°C
Bus Width (bits)4
Core Voltage (V)3.3
On Resistance (Ω)5
Speed GradeStandard

Package Options

Pkg. TypePkg. Dimensions (mm)Lead Count (#)Pitch (mm)
QSOP4.9 x 3.8 x 1.47160.64

Applications

  • Hot-swapping
  • 10/100 Base-T, Ethernet LAN switch
  • Low distortion analog switch
  • Replaces mechanical relay
  • ATM 25/155 switching

Applied Filters: