Skip to main content
Renesas Electronics Corporation
Alternative(s) Available
NRND - No Recommended Replacements Available - NRND
  • Notes:ISL8280M is not recommended for new designs and has no alternative product available.

Features

  • R4 Technology
    • Linear control loop for optimal transient response
    • Variable frequency and duty cycle control during load transient for fastest possible response
    • Inherent voltage feed-forward for wide range input
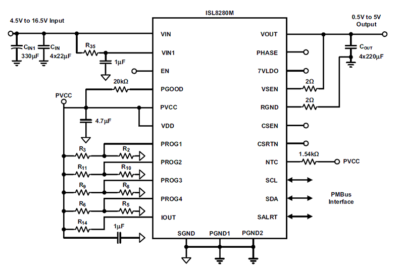
  • Input voltage range: 4.5V to 16.5V
  • Output voltage range: 0.5V to 5V
  • ±1.5% load/line/temperature regulation with remote sense
  • Supports all ceramic solutions
  • Integrated LDOs for single input rail solution
  • SMBus/PMBus/I2C compatible up to 1.25MHz
  • 256 boot-up voltage levels with a configuration pin
  • Seven switching frequency options from 300kHz to 1MHz
  • PFM operation option for improved light-load efficiency
  • Startup into precharged load
  • Power-good monitor for soft-start and fault detection
  • Comprehensive fault protection for high system reliability
  • Compatible with Renesas PowerNavigator™ software
  • Thermally enhanced 12mmx11mmx5.3mm HDA package

Description

The ISL8280M is a PMBus enabled DC/DC single channel step-down power supply featuring the proprietary Renesas R4™ Technology. The module supports a wide 4. 5V to 16. 5V input voltage range and a wide 0. 5V to 5V output range capable of delivering up to 10A of continuous current. The ISL8280M achieves up to 95% conversion efficiency and is optimized for high power density. Integrated LDOs provide module bias voltage allowing for single supply operation. The ISL8280M includes a SMBus/PMBus/I2C interface for device configuration, telemetry (VIN, VOUT, IOUT, and temperature), and fault reporting. The proprietary Renesas R4 control scheme has extremely fast transient performance, accurately regulated frequency control, and all internal compensation. An efficiency enhancing PFM mode greatly improves light-load efficiency. The ISL8280M's serial bus allows for easy R4 loop optimization that results in fast transient performance across a wide range of applications including all ceramic output filters. The ISL8280M has four 8-bit configuration pins that provide very flexible configuration options (such as frequency, VOUT, and AV gain) without the need for built-in NVM memory. As a result, the design flow closely matches traditional analog modules while still offering the design flexibility and feature set of a digital SMBus/PMBus/I2C interface. The ISL8280M features remote voltage sensing, completely eliminates any potential difference between remote and local ground, and improves regulation and protection accuracy. A precision enable input coordinates the startup of the ISL8280M with other voltage rails and is especially useful for power sequencing. The ISL8280M integrates all power and most passive components to minimize the external components and significantly reduce design complexity and board space. The ISL8280M is available in a low-profile, thermally enhanced, compact 12mmx11mmx5. 3mm fully encapsulated HDA package.

Applied Filters: