Features
- Up to 20V bootstrap voltage half-bridge driver
- Programmable 4.5V to 5.5V gate drive voltage
- Single tri-level PWM input control
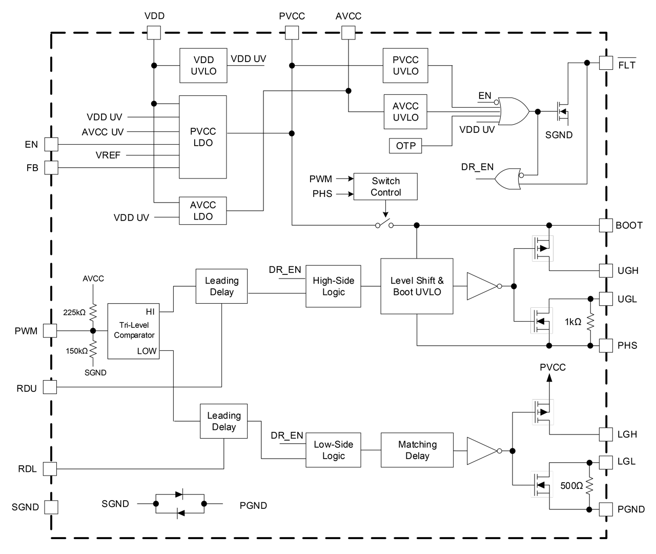
- Separate source and sink driver outputs for independent gate turn-on and turn-off control
- High-side peak driver current: 5A
- Low-side peak driver current: 10A
- Separate high-side and low-side programmable dead time control
- Fast propagation delay with low mismatch
- Full military temperature operation -55°C to +125°C ambient range
- 20 Ld Plastic 5mm x 5mm QFN Package
Description
The ISL71441M is a PWM input 12V half-bridge GaN FET driver designed to drive low rDS(ON), high QGS enhance mode Gallium Nitride (eGaN) FETs up to 1.5MHz operation for DC/DC switching regulators. An integrated programmable GaN FET gate drive voltage, high-side bootstrap switch, and high gate drive current provide a compact and robust GaN FET half-bridge driver.
The ISL71441M is designed to interface directly to the ISL73847M dual-phase PWM buck controller to create a high-efficiency Point-of-Load (POL) regulator to power many of the latest low voltage high current FPGA and DSP digital core rails.
The ISL7144M is offered in a 20 Ld 5mm x 5mm Quad Flat No Lead (QFN) plastic package. It is specified to operate across an ambient temperature range of -55°C to +125°C.
Parameters
| Attributes | Value |
|---|---|
| Rating | Space |
| Bus Voltage (Max) (V) | 12 |
| Driver Type | Half Bridge |
| FET Type | GaNFET |
| High Side Rise Time (max) (ns) | 25 |
| High Side Fall Time (max) (ns) | 25 |
| Input VCC (Min) (V) | 4.75 |
| Input VCC (Max) (V) | 13.2 |
| Low Side Rise Time (max) (ns) | 34 |
| Low Side Fall Time (max) (ns) | 30 |
| Drivers (#) | 2 |
| Output Type | Synchronous |
| Peak Output Source Current (A) | 2 (HS) /4 (LS) |
| Peak Output Sink Current (A) | 4 (HS) /8 (LS) |
| Gate Drive (V) | 4.5 |
| Temp. Range (°C) | -40 to +85°C, -40 to +125°C, -55 to +125°C |
| TID LDR (krad(Si)) | 30, 50 |
| DSEE (MeV·cm2/mg) | 43 |
| Flow | RT Plastic |
| Qualification Level | Radiation Tolerant Plastic |
| Die Sale Availability? | No |
| PROTO Availability? | No |
Package Options
| Pkg. Type | Pkg. Dimensions (mm) | Lead Count (#) | Pitch (mm) |
|---|---|---|---|
| QFN | 5.0 x 5.0 x 0.90 | 20 | 0.7 |
Applications
- High current DC/DC Point-of-Load (POL) for FPGA and DSP supply rails
- 12V to 1V POL regulation
- GaN FET motor drivers
Applied Filters: