Features
- Advanced linear digital modulation scheme- Zero latency synthetic current control for excellent high-frequency current balance
- Auto phase add/drop for excellent load vs efficiency profile
- Excellent DVID performance
- Dual edge modulation for faster transient response
 
- Flexible phase assignment from 0 to 4 phases per output
- Up to 1MHz operation for high-density designs
- Diode braking for overshoot reduction
- Diode emulation for enhanced light-load efficiency
- Differential remote voltage sensing supports ±0.5% closed-loop system accuracy over load, line, and temperature
- Highly accurate current sensing for excellent load-line regulation and accurate OCP
- Comprehensive fault management enables high-reliability systems
- Intuitive configuration using PowerNavigator
- SMBus/PMBus v1.3 compatible; Up to 2MHz bus interface; NVM to store up to 8 configurations
- Pb-free (RoHS compliant)
Description
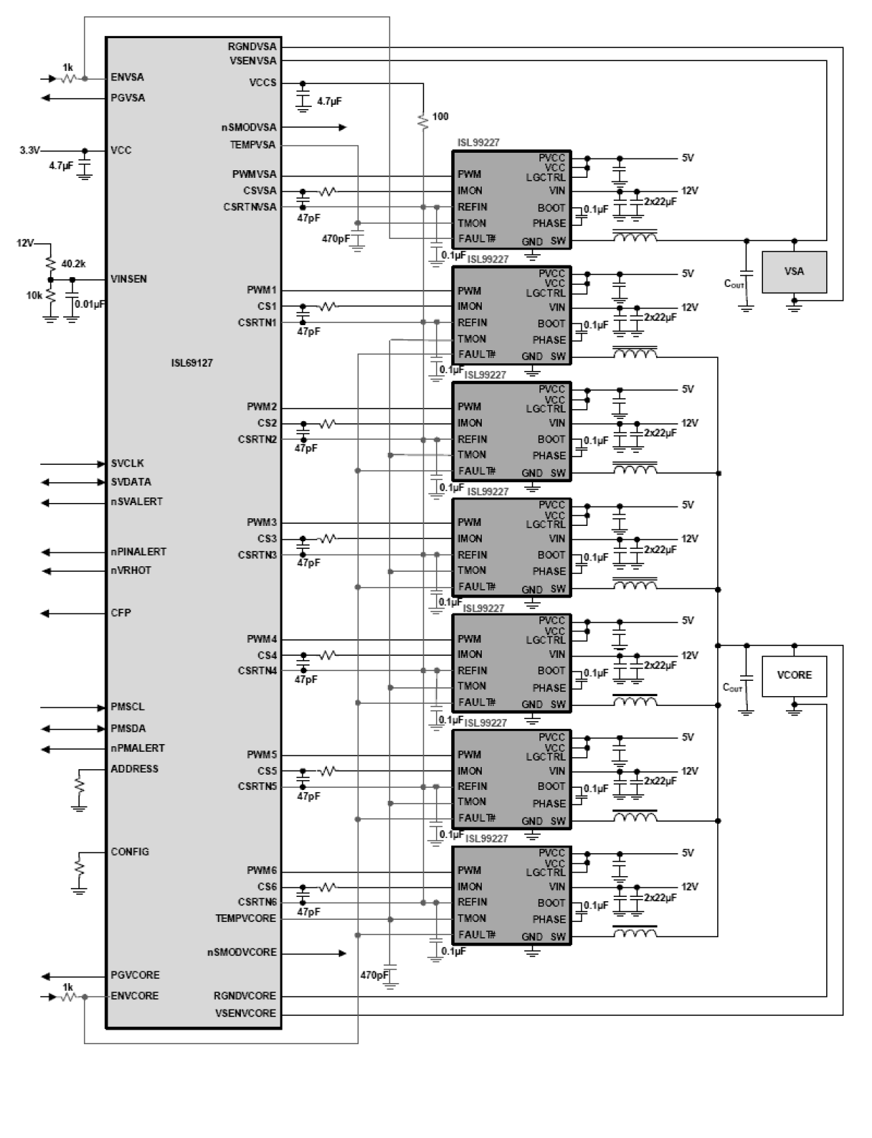
The ISL69127 is a digital dual output, multiphase PWM controller designed to be compliant with Intel VR13 specifications. The digital multiphase controller can be configured to support any desired phase assignments on the second output channel, up to a maximum of six phases. The ISL69127 supports the SVID interface along with PMBus v1. 3 specifications, making it ideal for controlling the microprocessor core, memory, and system agent rails of Intel VR13 platforms. The ISL69127 uses the Renesas proprietary digital linear synthetic current modulation scheme to achieve the industry’s best combination of transient response and ease of tuning while addressing the challenges of powering the latest generation of Intel microprocessors. Device configuration and telemetry monitoring are accomplished using the intuitive PowerNavigator™ software. Diode emulation and automatic phase add/drop features allow the user to extract maximum efficiency from the converter regardless of load conditions. The ISL69127 supports a comprehensive fault management system to enable the design of highly reliable systems. From an overcurrent protection scheme including peak and average detection, to the configurable power-good and catastrophic fault protection flags, any need is accommodated. With minimal external components, the ability to store eight configurations, robust fault management, and highly accurate regulation capability, implementing a high-performance, multiphase regulator has never been easier.
Parameters
| Attributes | Value | 
|---|---|
| Outputs (Max) (#) | 2 | 
| Phases (Max) | 6+1 | 
| Input Voltage (Min) (V) | 4.5 | 
| Input Voltage (Max) (V) | 25 | 
| Output Voltage (Max) (V) | 3.05 | 
| Output Current (Max) [Rail 1] (A) | 360 | 
| Bias Voltage Range (V) | 3.3 - 3.3 | 
| Parametric Applications | Core and memory for Intel VR13 based designs, High performance server core and memory rails, High performance graphics rails, Networking, data center, storage, and general purpose | 
| Qualification Level | Standard | 
| Temp. Range (°C) | -40 to +85°C | 
Package Options
| Pkg. Type | Pkg. Dimensions (mm) | Lead Count (#) | Pitch (mm) | 
|---|---|---|---|
| QFN | 6.0 x 6.0 x 0.90 | 48 | 0.4 | 
Applied Filters:
 
