Skip to main content

Features

  • Single differential driver
  • Internal VCM
  • 90MHz signal bandwidth
  • 900V/μs slew rate
  • Single +8V to +28V supply, absolute maximum 30V
  • Supports narrowband and broadband DMT PLC
  • -86dB THD at 200kHz in to 50Ω line load
  • -70dB THD at 3MHz in to 50Ω line load
  • Control pin for enable/disable for TDM operation
  • Thermal shutdown

Description

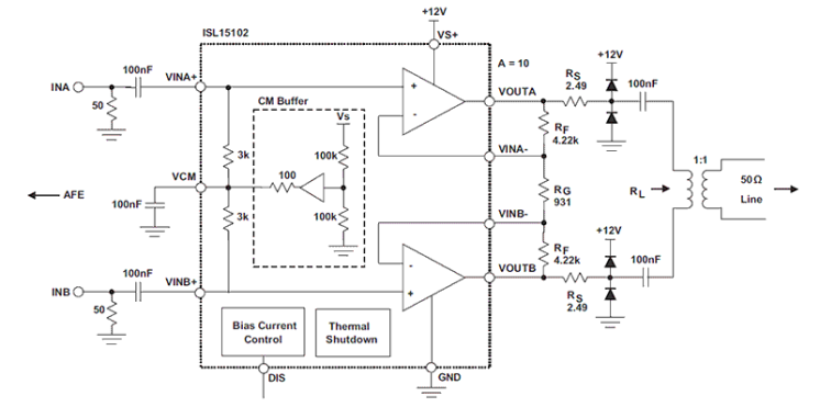
The ISL15102 is a single port differential line driver developed for Power Line Communication (PLC) applications. The device is designed to drive heavy line loads while maintaining a high level of linearity required in Orthogonal Frequency Division Multiplexing (OFDM) PLC modem links. The ISL15102 has a disable control pin (DIS). In Disable mode, the line driver goes into Low Power mode and the outputs maintain a high impedance in the presence of high receive signal amplitude, improving TDM receive signal integrity. The ISL15102 has built-in thermal protection. When the internal temperature reaches +150°C (typical) the driver shuts down to prevent damage to the device. An internal input CM buffer maximizes the dynamic range and reduces the number of external components in the application circuit. The ISL15102 is supplied in a thermally-enhanced small footprint (4mmx5mm) 24 Ld QFN package. The ISL15102 is specified for operation across the -40°C to +105°C operating ambient temperature range.

Parameters

Attributes Value
Bandwidth (MHz) 90
Channels (#) 1
Slew Rate (V/µs) 900
VS (Min) (V) 8
VS (Max) (V) 28
IS per Amp (mA) 21
Noise VN (nV/√Hz) 8.5
IBIAS (nA) 3000
Offset Voltage (Max) (mV) 17
IOUT (A) 0.75
IOUT @ RL 0.2A @ 50Ω
VOUT (V) 20
Rail-to-Rail Input No
Rail-to-Rail Output No
Thermal Shutdown Yes
THD (dB) -65
Enable Yes
Qualification Level Standard

Package Options

Pkg. Type Pkg. Dimensions (mm) Lead Count (#) Pitch (mm)
QFN 4.0 x 5.0 x 0.90 24 0.5

Application Block Diagrams

Central Vacuum Cleaner Block Diagram
Central Vacuum Cleaner
BLDC motor central vacuum cleaner offers energy efficiency and remote control for enhanced convenience.
Level 2 EV Charger Wall Box Block Diagram
Level 2 EV Charger Wall Box
Modular EV charger design with flexible communication, OTA updates, and simplified high-voltage power.
Interactive block diagram of this flexible metering system features ultra-low power metrology MCUs, UART with optical isolation, and Sub-1 GHz MCU.
Smart 1-Ph E-Meter
Flexible energy metering system with wired and wireless communications, tamper detection, and isolation support.
Smart 3-Ph E-Meter Block Diagram
Smart 3-Ph E-Meter
Smart 3-phase e-meter with bidirectional communication and tamper detection for modern grids.
Power Meter with Power Line Communication Block Diagram
Power Line Communication (PLC) Node
PLC Node system supports G3/PRIME standards for smart building communication.

Applied Filters: