Skip to main content

Features

  • 3 Micron Radiation Hardened CMOS SOS
  • Total Dose 200K or 1 Mega-RAD(Si)
  • Latch-Up Free Under Any Conditions
  • Fanout (Over Temperature Range)
  • Bus Driver Outputs - 15 LSTTL Loads
  • Military Temperature Range: -55°C to +125°C
  • Significant Power Reduction Compared to LSTTL ICs
  • DC Operating Voltage Range: 4.5V to 5.5V
  • LSTTL Input Compatibility
  • VIL = 0.8V Max
  • VIH = VCC/2 Min
  • Input Current Levels Ii ≤ 5µA at VOL, VOH

Description

Support is limited to customers who have already adopted these products.

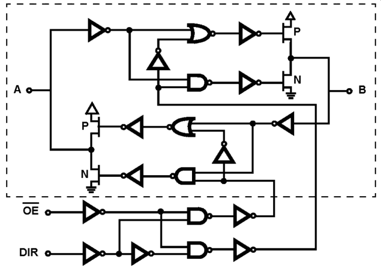
The Intersil HCS245MS is a Radiation Hardened Non-Inverting Octal Bidirectional Bus Transceiver, Three-State, intended for two-way asynchronous communication between data busses. The HCS245MS allows data transmission from the A bus to the B bus or from the B bus to the A bus. The logic level at the direction input (DIR) determines the data direction. The output enable input (OE) puts the I/O port in the high-impedance state when high. The HCS245MS utilizes advanced CMOS/SOS technology to achieve high-speed operation. This device is a member of radiation hardened, high-speed, CMOS/SOS Logic Family. The HCS245MS is supplied in a 20 lead Weld Seal Ceramic flatpack (K suffix) or a Weld Seal Ceramic Dual-In-Line Package (D suffix).

Applied Filters: