Features
- High slew rate: 120V/µs
- Fast settling: 200ns
- Full power bandwidth: 2MHz
- Gain bandwidth (AV ≥ 3): 20MHz
- High input impedance: 100MΩ
- Low offset current: 10nA
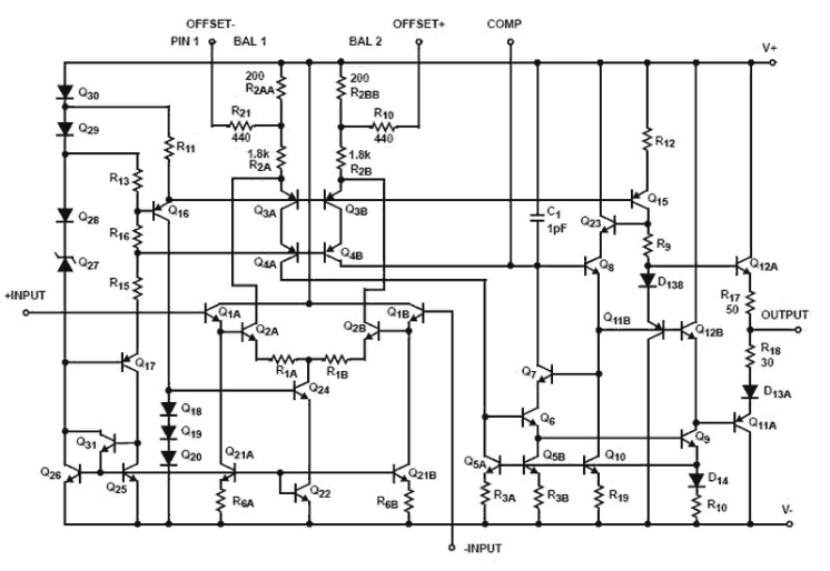
- Compensation pin for unity gain capability
- Pb-free PDIP available (RoHS compliant)
Description
HA-2520, HA-2522, HA-2525 comprise a series of operational amplifiers delivering an unsurpassed combination of specifications for slew rate, bandwidth and settling time. These dielectrically isolated amplifiers are controlled at closed loop gains greater than 3 without external compensation. In addition, these high performance components also provide low offset current and high input impedance. 120V/µs slew rate and 200ns (0. 2%) settling time of these amplifiers make them ideal components for pulse amplification and data acquisition designs. These devices are valuable components for RF and video circuitry requiring up to 20MHz gain bandwidth and 2MHz power bandwidth. For accurate signal conditioning designs the HA-2520, HA-2522, HA-2525’s superior dynamic specifications are complemented by 10nA offset current, 100MΩ input impedance and offset trim capability.
Parameters
| Attributes | Value |
|---|---|
| Channels (#) | 1 |
| Temp. Range (°C) | 0 to +70°C |
| Bandwidth (MHz) | 20 |
| Gain Min | 3 |
| Offset Voltage (Max) (mV) | 10 |
| IBIAS (nA) | 125 |
| IOUT (A) | 0.01 |
| CMRR (dB) | 90 |
| PSRR (db) | 90 |
| Rail-to-Rail Input | No |
| Rail-to-Rail Output | No |
| IS per Amp (mA) | 4 |
| Noise VN (nV/√Hz) | 20 |
| Single Supply Voltage Range (V) | 16 - 36 |
| Slew Rate (V/µs) | 120 |
| VOUT (V) | 24 |
| VS (Min) (V) | 16 |
| VS (Max) (V) | 36 |
| AVOL (dB) | 84 |
| Topology [Rail 1] | VFA |
| Enable | No |
| Output Headroom (V) | 3 |
| Qualification Level | Standard |
Package Options
| Pkg. Type | Pkg. Dimensions (mm) | Lead Count (#) | Pitch (mm) |
|---|---|---|---|
| PDIP | 9.7 x 6.6 x 3.94 | 8 | 2.5 |
Applications
- Data acquisition systems
- RF amplifiers
- Video amplifiers
- Signal generators
Applied Filters: