Features
- LP-HCSL output with integrated terminations; saves four resistors compared to standard HCSL output
- 1.8V operation; 12mW typical power consumption
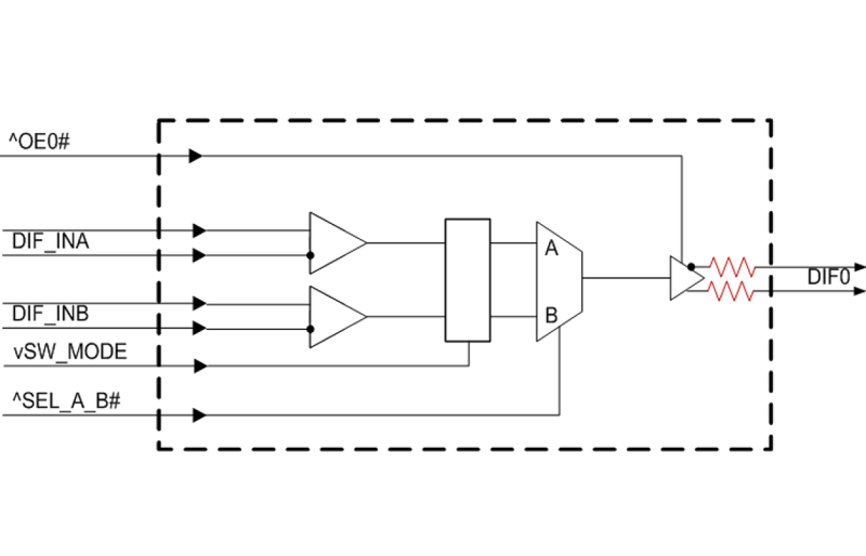
- Selectable asynchronous or glitch-free switching; allows the mux to be selected at power up even if both inputs are not running, then transition to glitch-free switching mode
- Spread spectrum compatible; supports EMI reduction
- OE# pin; supports DIF power management
- HCSL differential inputs; can be driven by common clock sources
- 1MHz to 200MHz operating frequency
- Configuration can be accomplished with strapping pins; SMBus interface is not required for device control
- Space-saving 3mm x 3mm 16-VFQFPN; minimal board space
Description
The 9DMV0141 is a 1.8V very-low power PCIe Gen 1–5 clock mux. The device has integrated output terminations for direct connection to 100Ω transmission lines. The output has an OE# pin for optimal system control and power management. The parts provide asynchronous or glitch-free switching modes.
Parameters
| Attributes | Value |
|---|---|
| Diff. Outputs | 1 |
| Diff. Output Signaling | LP-HCSL |
| Output Freq Range (MHz) | 1 - 200 |
| Diff. Inputs | 2 |
| Diff. Input Signaling | HCSL |
| Accepts Spread Spec Input | Yes |
| Power Consumption Typ (mW) | 12, 14 |
| Supply Voltage (V) | 1.8 - 1.8 |
| Output Type | LP-HCSL |
| Diff. Termination Resistors | 0 |
| Package Area (mm²) | 9 |
| Battery Backup | No |
| Battery Seal | No |
| CPU Supervisory Function POR | No |
| Crystal Frequency Trimming | No |
| Frequency Out Pin | No |
| Inputs (#) | 2 |
| Input Freq (MHz) | 1 - 200 |
| Additive Phase Jitter Typ RMS (fs) | 300 |
| Function | Multiplexer |
| Input Type | HCSL |
| Output Banks (#) | 1 |
| Core Voltage (V) | 1.8 |
| Output Voltage (V) | 0.8 |
| Product Category | Clock Multiplexers, PCI Express Clocks |
Package Options
| Pkg. Type | Pkg. Dimensions (mm) | Lead Count (#) | Pitch (mm) |
|---|---|---|---|
| VFQFPN | 3.0 x 3.0 x 1.0 | 16 | 0.5 |
Applications
- Servers
- nVME drives
- Embedded systems/Industrial control
- High-performance computing
- Accelerators
Applied Filters: