Features
- Two 1:4, low skew, low additive jitter LVPECL output pairs
- Two differential clock input pairs
- Differential pairs can accept the following differential input levels: LVDS, LVPECL, CML
- Maximum input clock frequency: 2GHz
- Output skew: 8ps (typical)
- Propagation delay: 270ps (maximum)
- Low additive phase jitter, RMS: 47fs (maximum)
- Full 3.3V and 2.5V supply voltage
- Maximum device current consumption (IEE): 88mA (maximum)
- Available in lead-free (RoHS 6), 28-Lead VFQFN package
- -40°C to 85°C ambient operating temperature
- Supports case temperature ≤105°C operations
Description
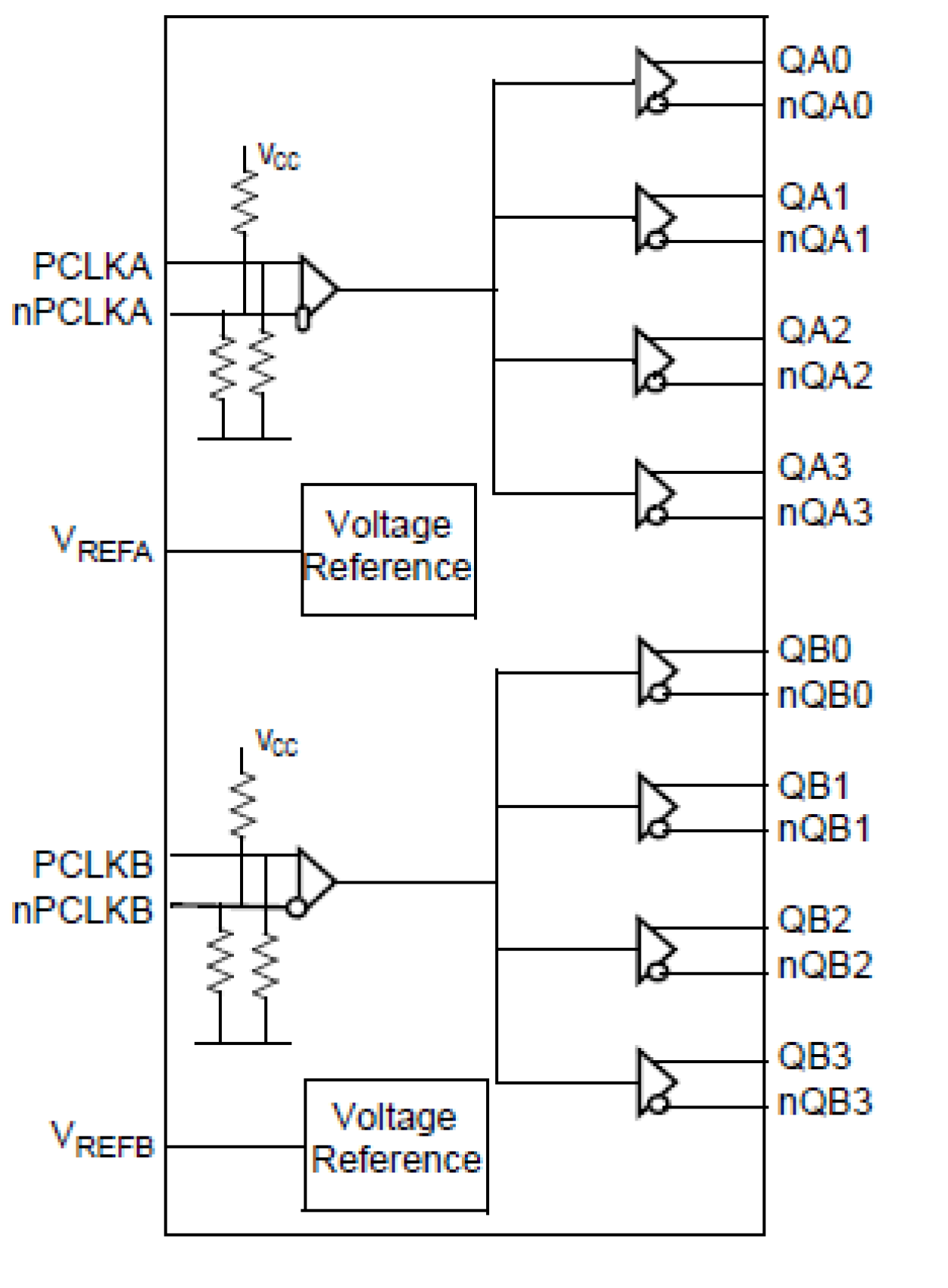
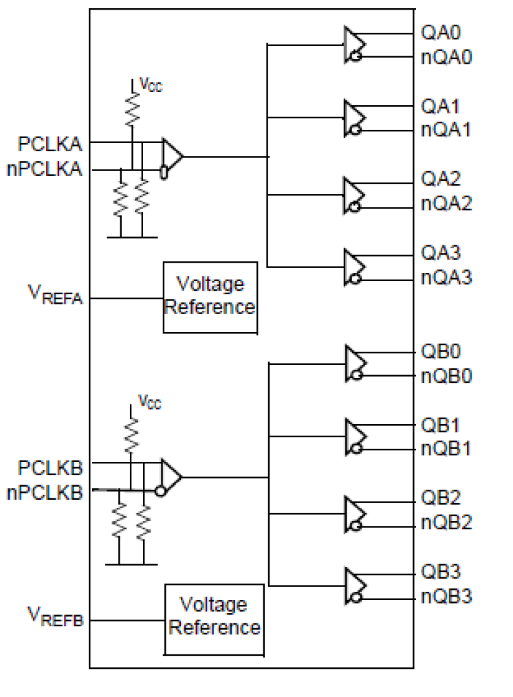
The 8SLVP2104I is a high-performance differential dual LVPECL fanout buffer. The device is designed for the fanout of high-frequency, very low additive phase-noise clock and data signals. The 8SLVP2104I is characterized to operate from a 3.3V or 2.5V power supply. Guaranteed output-to-output and part-to-part skew characteristics make the 8SLVP2104I ideal for those clock distribution applications demanding well-defined performance and repeatability. Two selectable differential inputs and four low skew outputs are available. The integrated bias voltage reference enable easy interfacing of single-ended signals to the device inputs. The device is optimized for low power consumption and low additive phase noise.
Parameters
| Attributes | Value |
|---|---|
| Outputs (#) | 8 |
| Inputs (#) | 2 |
| Channels (#) | 2 |
| Input Freq (MHz) | 2000 |
| Output Freq Range (MHz) | 2000 |
| Output Skew (ps) | 25 |
| Adjustable Phase | No |
| Noise Floor (dBc/Hz) | -162 |
| Additive Phase Jitter Typ RMS (fs) | 43 |
| Output Type | LVPECL |
| Supply Voltage (V) | 2.5 - 2.5, 3.3 - 3.3 |
| Advanced Features | Dual Buffer |
| 105°C Max. Case Temp. | 1 |
Package Options
| Pkg. Type | Pkg. Dimensions (mm) | Lead Count (#) | Pitch (mm) |
|---|---|---|---|
| VFQFPN | 5.0 x 5.0 x 0.8 | 28 | 0.5 |
Applied Filters:
Filters
Software & Tools
Sample Code
Simulation Models
Overview of IDT's 8LSVP (LVPECL) and 8SLVD (LVDS) families of low-jitter fanout buffers from IDT. Fanout buffers are a useful building block of many clock trees, providing signal buffering and multiple low-skew copies of the input signal. IDT's high-performance, low additive phase noise, differential clock fan-out buffers offer up to 2 GHz clock operation, low additive phase jitter (12kHz - 20MHz) of 50 to 100 femtoseconds RMS max, fast output rise & fall times (less than 150ps), and single and dual channel functions (dual: matched propagation delay). Presented by Baljit Chandhoke, Product Marketing Manager at Integrated Device Technology, Inc. To learn more about IDT's industry-leading portfolio of fanout buffers, visit Renesas's RF Buffer page.