Applied Filters:
Evaluation Boards & Kits
ISL70517SEHEV1Z Active
36V Radiation Hardened Precision Instrumentation Amplifier Evaluation Board
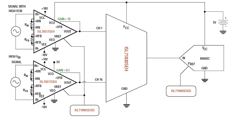
The ISL70517SEHEV1Z evaluation board is designed to assess the performance of the ISL70517SEH radiation hardened, differential input, single-ended output, precision instrumentation amplifier (in-amp).
The ISL70517 is a high-performance rad hard instrumentation amp built on the PR40 process.... Read More
Recommended Documents:
