Features
- Solid-state potentiometer
- 3-wire serial interface
- Terminal voltage, 0 to +8V
- 100 wiper tap points
- Wiper position stored in nonvolatile memory and recalled on power-up
- 99 resistive elements
- Temperature compensated
- End to end resistance range ± 20%
- Low power CMOS
- VCC = 5V
- Active current, 3mA max.
- Standby current, 1mA max.
- High reliability
- Endurance, 100,000 data changes per bit
- Register data retention, 100 years
- RTOTAL value = 10kΩ
- Packages
- 8 Ld SOIC and DIP
- Pb-free plus anneal available (RoHS compliant)
Description
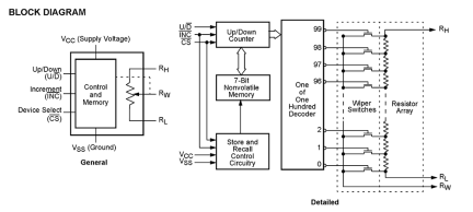
The Intersil X9318 is a digitally controlled potentiometer (XDCP). The device consists of a resistor array, wiper switches, a control section, and nonvolatile memory. The wiper position is controlled by a 3-wire interface. The potentiometer is implemented by a resistor array composed of 99 resistive elements and a wiper switching network. Between each element and at either end are tap points accessible to the wiper terminal. The position of the wiper element is controlled by the CS, U/D, and INC inputs. The position of the wiper can be stored in nonvolatile memory and then be recalled upon a subsequent power-up operation. The device can be used as a three-terminal potentiometer for voltage control or as a two-terminal variable resistor for current control in a wide variety of applications.
Parameters
| Attributes | Value |
|---|---|
| Resistance Taper | Linear |
| Taps (#) | 100 |
| Resistance Options (kΩ) | 10 |
| Channels (#) | 1 |
| Interface | 3-Wire (Up/Down) |
| Memory Type | Nonvolatile |
| Supply Voltage Vcc Range | 4.5 to 5.5 |
| Supply Current Icc (µA) | 300 |
| Single Supply Voltage Range (V) | 8 |
| Wiper Current (mA) | 3 |
| Wiper Resistance (ohms) | 40 |
| VL Terminal Voltage (Max) (V) | 8 |
| End-to-End Temperature Coefficient (ppm/°C) | 300 |
| Middlepoint Ratiometric Tempco | 20 |
| Advanced Features | Internal charge pump to generate terminal voltage capability greater than VCC |
| Qualification Level | Standard |
Package Options
| Pkg. Type | Pkg. Dimensions (mm) | Lead Count (#) | Pitch (mm) |
|---|---|---|---|
| SOICN | 4.9 x 3.9 x 0.00 | 8 | 1.3 |
Applications
- LCD bias control
- DC bias adjustment
- Gain and offset trim
- Laser diode bias control
- Voltage regulator output control
Applied Filters: