メインコンテンツに移動
ルネサス エレクトロニクス株式会社 (Renesas Electronics Corporation)

特長

  • Precision Core Voltage Regulation
  • 0.5% System Accuracy Over-Temperature
  • Enhanced Load Line Accuracy
  • Supports Multiple Current Sensing Methods
  • Lossless Inductor DCR Current Sensing
  • Precision Resistor Current Sensing
  • Current Monitor
  • Differential Remote Voltage Sensing
  • Integrated Gate Driver
  • Split LGATE Driver to Increase Light-Load Efficiency (For ISL62881D)
  • Adaptive Body Diode Conduction Time Reduction
  • User-selectable Overshoot Reduction Function
  • Small Footprint 28 Ld 4x4 or 32 Ld 5x5 TQFN Package

説明

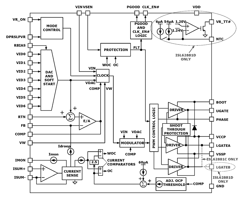
The ISL62881C provides a complete solution for microprocessor and graphic processor core power supply with its integrated gate drive. Based on Renesas' Robust Ripple regulator (R3™) technology, the PWM modulator compared to traditional modulators, has faster transient settling time, variable switching frequency during load transients and has improved light load efficiency with its ability to automatically change switching frequency. Fully compliant with IMVP6. 5™, the ISL62881C is easily configurable as a CPU or graphics VCORE controllers by offering: responds to DPRSLPVR signals by entering/exiting diode emulations mode; reports regulator output current via the IMON pin; senses current by using a discrete resistor or the inductor; over-temperature thermal compensation of DCR, using a single NTC thermistor; differential sensing to accurately monitor and adjust processor die voltage; minimizes body diode conduction loss in diode emulation mode with its adaptive body diode conduction time. Need to aggressively reduce the output capacitor? The overshoot reduction function is user-selectable and can be disabled for those concerned about increased system thermal stress. Maintaining all the ISL62881C functions, the ISL62881D offers VR_TT# function for thermal throttling control. It also offers the split LGATE function to further improve light load efficiency.

アプリケーション

  • Notebook Core Voltage Regulator
  • Notebook GPU Voltage Regulator

適用されたフィルター