メインコンテンツに移動
ルネサス エレクトロニクス株式会社 (Renesas Electronics Corporation)
代替製品
NRND - No Recommended Replacements Available - NRND
  • Notes:ISL8212M is not recommended for new designs and has no alternative product available.

特長

  • R4 Technology
    • Linear control loop for optimal transient response
    • Variable frequency and duty cycle control during load transient for fastest possible response
    • Inherent voltage feed-forward for wide range input
  • Input voltage range: 4.5V to 16.5V
  • Output voltage range: 0.5V to 5V
  • ±1.5% load and line regulation with remote sense
  • Supports all ceramic solutions
  • Integrated LDOs for single input rail solution
  • 256 output voltage levels with a configuration pin
  • Seven switching frequency options from 300kHz to 1MHz
  • PFM operation option for improved light-load efficiency
  • Start-up into precharged load
  • Power-good monitor for soft-start and fault detection
  • Comprehensive fault protection for high system reliability
  • Thermally enhanced 12mmx11mmx5.3mm HDA package

説明

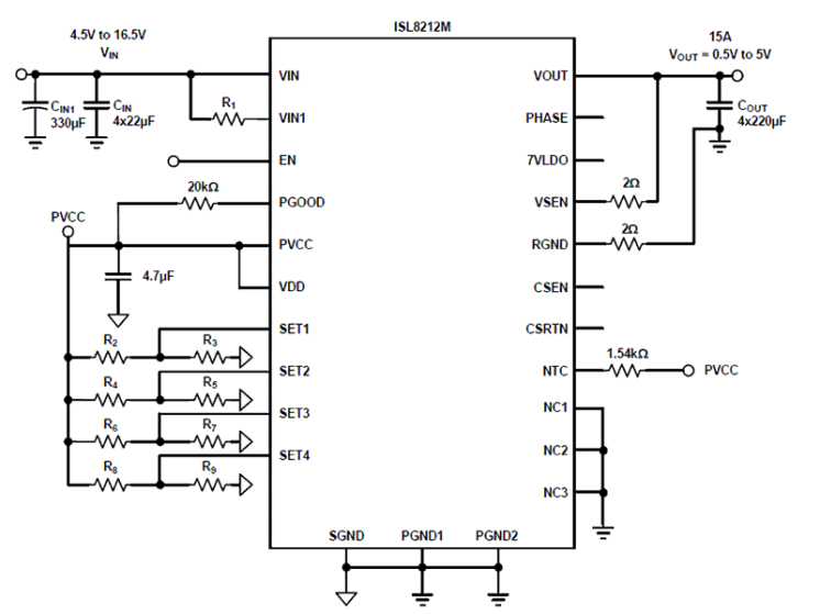
The ISL8212M power module is a single channel, synchronous step-down, non-isolated complete power supply featuring the proprietary Renesas R4™ Technology. The module supports a wide 4. 5V to 16. 5V input voltage range and a wide 0. 5V to 5V output range capable of delivering up to 15A of continuous current, and is optimized for high power density. Integrated LDOs provide module bias voltage, allowing for single supply operation. The proprietary Renesas R4 control scheme has extremely fast transient performance, accurately regulated frequency control, and all internal compensation. An efficiency enhancing PFM mode greatly improves light-load efficiency. The ISL8212M allows for easy R4 loop optimization, resulting in fast transient performance across a wide range of applications, including all ceramic output filters. The power module integrates all power and most passive components and requires only a few external components to operate. A set of optional external resistors provides very flexible configuration options (such as frequency, VOUT, and AV gain). The ISL8212M also features remote voltage sensing and completely eliminates any potential difference between remote and local grounds, improving regulation and protection accuracy. A programmable soft-start reduces the inrush current from the input supply. A precision enable input and power-good (PGOOD) flag are available to coordinate the start-up of the ISL8212M with other voltage rails, which is especially useful for power sequencing. Excellent efficiency and low thermal resistance permit full power operation without heatsinks. Input Undervoltage Lockout (UVLO), over-temperature, overcurrent, output overvoltage, and output prebias start-up protections ensure safe operations under abnormal operating conditions. The ISL8212M is available in a compact RoHS compliant thermally-enhanced 12mmx11mmx5. 3mm HDA package.

適用されたフィルター