メインコンテンツに移動
ルネサス エレクトロニクス株式会社 (Renesas Electronics Corporation)

特長

Renesas Rad Hard QML-V 同等スクリーニングおよびQCI フロー(R34TB0001EU)の資格取得

  • すべてのスクリーニングおよびQCIはMIL-PRF-38535クラスVに準拠しています
  • 広い動作電圧範囲
    • 入力:4.5V〜19V
    • 出力:VREF からPVINへの変換×((TSW-107ns)/TSW)
  • スイッチング周波数帯域
    • 250kHz〜1.5MHz
  • オプションのドループ調整
  • 電流モード制御
    • 優れた電源変動除去性能
    • 簡素化された制御方式
  • 差動出力リモートセンシング
  • プログラマブルVREF (0.2Vから1.2V)とソフトスタート(0.5msから64ms)
  • ハードウェアは制御を有効化し、ソフトウェアは制御を有効化します
  • プログラム可能なUV、OV、OC フォルトレベル
  • PMBusを通じたテレメトリと故障報告
  • TID放射ハードアシュアランス(RHA)ウェハーごとの試験
    • LDR(≤10mrad(Si)/s):75krad(Si)
  • SEE特性評価
    • DSEEなしの場合、VDD = 20V、VCC = 6.1V、VISEN = 13.5V、86MeV•cm2/mg
    • SEFI<2.5μm² 、86MeV•cm2/mg
    • 86MeV•cm2/mg 時、SET < 3.55%

説明

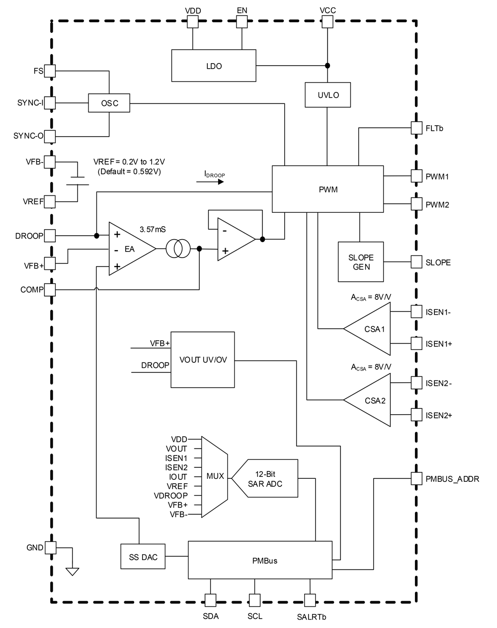
ISL73849SLHはPMBusベースの同期整流降圧コントローラで、単相または二相コントローラとして動作します。 これはISL73041SEH(ハーフブリッジGaN FETドライバ)と連携し、商業宇宙用途向けのPOL電源を生成することを意図しています。 この電源ICは-55°Cから+125°Cまでの軍用温度範囲で動作し、24リットルの気密密封セラミックデュアルフラットパック(CDFP)パッケージまたはダイ形態で提供されています。

入力電圧範囲は4.5Vから19Vで、プログラム可能なスイッチング周波数は250kHzから1.5MHzまで、1つの抵抗で対応可能です。 出力は200mV以上の電圧を調節でき、上限は最小オフ時間と選択されたスイッチング周波数によって制限されます。

ISL73849SLHはカレントシェアリング機能を備えており、1つのデバイス内での2相動作と2台のISL73849を用いた4相動作を可能にし、すべて外部クロックは必要ありません。 他の周波数での多相運転には、ISL74420が追加のスケーラビリティを提供し、多相電力アーキテクチャにおいて柔軟なソリューションとなります。

広い入力電圧範囲により、大電流FPGAコアやその他の汎用電源ソリューションに適した電源オプションとなります。 ISL73849SLHは電流モードを採用しており、ループ補正を簡素化し、優れた応答性能を実現します。 さらに、出力はリモートで検出され、負荷条件時の電圧降下を補正します。 これらすべてが組み合わさり、最小限の部品で済み、高い電流密度を実現した堅牢な電源ソリューションを実現しています。

また、トライレベル出力を備えており、中規模の電圧を駆動してパワーステージにハイインピーダンス状態に入るように信号を送ることで、故障から優れた保護を提供します。 PMBusを使った制御、テレメトリ、故障報告により、MCUを使ってISL73849SLHを簡単にプログラムできます。

パラメータ

属性
RatingSpace
Control ModePeak Current Mode
Phases (Max)2
No-Load Operating Current22 mA
Quiescent Current11µA
Supply Voltage (min) (V)4.5 - 4.5
Supply Voltage (max) (V)19 - 19
Switching Frequency (min) (kHz)250
Switching Frequency (max) (kHz)1500
TopologySync. Buck
VREF (V)0.2 - 1.2
Temp. Range (°C)-55 to +125°C
TID LDR (krad(Si))75
DSEE (MeV·cm2/mg)86
FlowRH Hermetic
Qualification LevelClass Ve, EM
Die Sale Availability?Yes
PROTO Availability?Yes

パッケージオプション

Pkg. TypePkg. Dimensions (mm)Lead Count (#)Pitch (mm)
24
CFP15.1 x 12.7 x 2.34241.3
DIE

製品比較

ISL73849SLHISL73847SEH
Supply Voltage (min)4.5 - 4.54.5 - 4.5
Supply Voltage (max)19 - 1919 - 19
Switching Frequency (min) (kHz)250250
Switching Frequency (max) (kHz)15001500
Quiescent Current11µA11µA
No-Load Operating Current22 mA12 mA
VREF (V)0.2 - 1.20.6

アプリケーション

  • FPGAコア電源
  • 汎用電源

適用されたフィルター