特長
- Advanced linear digital modulation scheme
- Zero latency synthetic current control for excellent high-frequency current balance
- Auto phase add/drop for excellent load vs efficiency profile
- Dual edge modulation for faster transient response
- Excellent DVID performance
- Flexible phase assignment from 0 to 4 phases per output
- Up to 1MHz operation for high-density designs
- Diode braking for overshoot reduction
- Diode emulation for enhanced light-load efficiency
- Differential remote voltage sensing supports ±0.5% closed-loop system accuracy over load, line, and temperature
- Highly accurate current sensing for excellent load line regulation and accurate OCP
- Supports ISL99227 60A smart power stage
- Supports DCR sense with integrated temperature compensation
- Comprehensive fault management enables high-reliability systems
- Pulse-by-pulse phase current limiting
- Total output current protection
- Output and input OV/UV protection
- Open voltage sense detect
- Black box recording capability for faults
- Configurable Catastrophic Failure Protection (CFP) flag output
- Intuitive configuration via PowerNavigator™
- SMBus/PMBus v1.3 compatible
- Up to 2MHz bus interface
- NVM to store up to eight configurations
- Pb-free (RoHS compliant)
説明
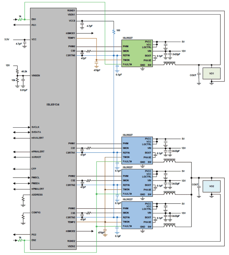
The ISL69134 is a digital dual output, flexible multiphase (X+Y ≤ 4) PWM controller designed to be compliant with Intel IMVP8 specifications. The digital multiphase controller can be configured to support any desired phase assignments up to a maximum of 4 phases across the two outputs (X and Y). For example, 3+1, 2+2, or even a single output operation as a 4+0 configuration are supported. With a flexible X+Y ≤ 4 phase assignment along with PMBus and SVID interfaces, the ISL69134 is ideal for controlling the microprocessor core, memory, and system rails of Intel IMVP8 platforms. The ISL69134 uses a proprietary digital linear synthetic current modulation scheme to achieve the industry’s best combination of transient response and ease of tuning while addressing the challenges of powering the latest generation of Intel microprocessors. Device configuration and telemetry monitoring are accomplished with the intuitive Renesas PowerNavigator™ GUI. Diode emulation and automatic phase add/drop features allow the user to extract maximum efficiency from the converter regardless of load conditions. The ISL69134 supports a comprehensive fault management system to enable the design of highly reliable systems. From an overcurrent protection scheme including peak and average detection, to the configurable power-good and catastrophic fault protection flags, any need is accommodated. With minimal external components, the ability to store eight configurations, robust fault management, and highly accurate regulation capability, implementing a high-performance multiphase regulator has never been easier.
パラメータ
| 属性 | 値 |
|---|---|
| Outputs (Max) (#) | 2 |
| Phases (Max) | 4 |
| Input Voltage (Min) (V) | 4.5 |
| Input Voltage (Max) (V) | 25 |
| Output Voltage (Max) (V) | 3.05 |
| Output Current (Max) [Rail 1] (A) | 240 |
| Bias Voltage Range (V) | 3.3 - 3.3 |
| Parametric Applications | Core and memory for Intel IMVP8 based processor, High performance servers core or memory rail, High performance graphic rail, High-end desktop, Networking, data center, storage and general purpose |
| Qualification Level | Standard |
| Temp. Range (°C) | -40 to +85°C |
パッケージオプション
| Pkg. Type | Pkg. Dimensions (mm) | Lead Count (#) | Pitch (mm) |
|---|---|---|---|
| TQFN | 5.0 x 5.0 x 0.75 | 40 | 0.4 |
適用されたフィルター