メインコンテンツに移動
以下のデバイスを代替品として推奨しております。

特長

  • Advanced linear digital modulation scheme
  • Zero latency synthetic current control for excellent HF current balance
  • Auto phase add/drop with a boot refresh function for excellent load vs efficiency profile
  • Dual edge modulation for faster transient response
  • Excellent DVID performance
  • Flexible phase assignment from 0 to 7 phases per output
  • Up to 1MHz switching frequency operation for high-density designs
  • Diode braking for overshoot reduction
  • Diode emulation for enhanced light-load efficiency
  • Differential remote voltage sensing supports ±0.5% closed-loop system accuracy over load, line, and temperature
  • Highly accurate current sensing for excellent load line regulation and accurate OCP
  • Supports ISL99227 60A smart power stage
  • Supports DCR sense with integrated temperature compensation
  • Supports phase doubler (ISL6617A) for up to 14-phase operation
  • Comprehensive fault management enables high-reliability systems
  • Pulse-by-pulse phase current limiting
  • Total output current protection
  • Output and input OV/UV protection
  • Open voltage sense detect
  • Black box recording capability for faults
  • Configurable Catastrophic Failure Protection (CFP) flag output
  • Intuitive configuration using PowerNavigator
  • SMBus/PMBus v1.3 compatible
  • Up to 2MHz bus interface
  • NVM to store up to 8 configurations
  • Pb-free (RoHS compliant)

説明

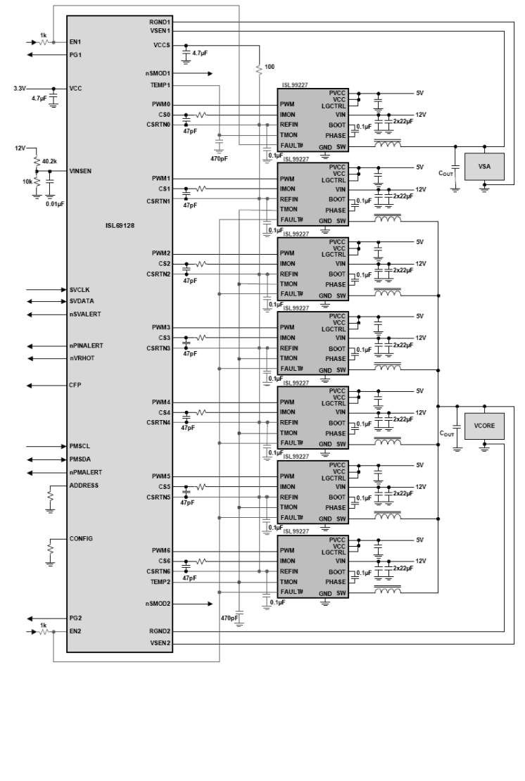
The ISL69128 is a digital dual output, flexible multiphase (X+Y ≤ 7) PWM controller designed to be compliant with Intel VR13 and IMVP8 specifications. The digital multiphase controller can be configured to support any desired phase assignments up to a maximum of seven phases across the two outputs (X and Y). For example, 6+1, 5+2, 4+2, 3+3, 3+2, or even single output operation as a 7+0 configuration are supported. The ISL69128, with a flexible X+Y ≤ 7 phase assignment, supports SVID interface along with PMBus 1. 3 specifications, making it ideal for controlling the microprocessor core, memory, and system rails for Intel VR13 or IMVP8 platforms. The ISL69128 uses a proprietary digital linear synthetic current modulation scheme to achieve the industry’s best combination of transient response and ease of tuning while addressing the challenges of powering the latest generation of Intel microprocessors. Device configuration and monitoring are accomplished through the intuitive Renesas PowerNavigator™ application. Diode emulation and automatic phase add/drop features allow the user to extract maximum efficiency from the converter regardless of load conditions. The ISL69128 supports a comprehensive fault management system to enable the design of highly reliable systems. From a multitiered overcurrent protection scheme to the configurable power-good and catastrophic fault protection flags, almost any need is accommodated. With minimal external components, easy configuration, robust fault management, and highly accurate regulation capability, implementing a high-performance, multiphase regulator has never been easier.

パラメータ

属性
Outputs (Max) (#) 2
Phases (Max) 7
Input Voltage (Min) (V) 4.5
Input Voltage (Max) (V) 25
Output Voltage (Min) (V) 0
Output Voltage (Max) (V) 3.05
Output Current (Max) [Rail 1] (A) 450
Bias Voltage Range (V) 3.3 - 3.3
Parametric Applications Core and memory for Intel VR13 based designs, High performance server core and memory rails, High performance graphics rails, Networking, data center, storage, and general purpose
Qualification Level Standard
Temp. Range (°C) -40 to +85°C

パッケージオプション

Pkg. Type Pkg. Dimensions (mm) Lead Count (#) Pitch (mm)
QFN 6.0 x 6.0 x 0.90 48 0.4

適用されたフィルター