メインコンテンツに移動
ルネサス エレクトロニクス株式会社 (Renesas Electronics Corporation)

特長

  • 3 micron radiation hardened CMOS SOS
  • Total dose 200K RAD (Si)
  • SEP effective LET no upsets: >100 MEV-cm2/mg
  • Single Event Upset (SEU) immunity <2 x 10-9 errors/bit-day (Typ)
  • Dose rate survivability: >1 x 1012 RAD (Si)/s
  • Dose rate upset >1010 RAD (Si)/s 20ns pulse
  • Latch-up free under any conditions
  • Fanout (over temperature range)
  • Bus driver outputs - 15 LSTTL loads
  • Military temperature range: -55 °C to +125 °C
  • Significant power reduction compared to LSTTL ICs
  • DC operating voltage range: 4.5V to 5.5V
  • LSTTL input compatibility
  • VIL = 0.8V Max
  • VIH = VCC/2 Min
  • Input current levels Ii ≤5µA at VOL, VOH

説明

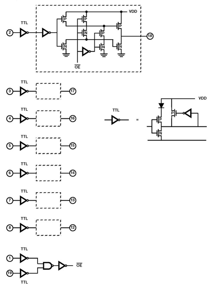
The Intersil HCTS541MS is a radiation hardened noninverting octal buffer/line driver, three-state outputs. The output enable pins (OEN1 and OEN2) control the three-state outputs. If either enable is high, the outputs will be in the high impedance state. For data output, both enables (OEN1 and OEN2) must be low. The HCTS541MS utilizes advanced CMOS/SOS technology to achieve high-speed operation. This device is a member of the radiation hardened, high-speed, CMOS/SOS logic family. The HCTS54 is supplied in a 20-lead ceramic flatpack (K suffix) or an SBDIP package (D suffix).

適用されたフィルター