メインコンテンツに移動

特長

  • < 100mW core power (at 3.3V)
  • < 0.5ps RMS phase jitter (typical)
  • PCIe Gen 1/2/3/4/5 spread spectrum off
  • PCIe Gen 1/2/3/4 spread spectrum on
  • 1/10GbE, USB 3.0
  • 3 universal output pairs: LVPECL, LVDS, HCSL, or 6 LVCMOS outputs
  • 3 independent frequencies with 0.001MHz to 350MHz output range
  • 8 additional copies of LP-HCSL outputs (1 independent frequency)
  • Reference output
  • 1.8V/2.5V/3.3V core and output voltages
  • 2 programmable I²C addresses allowing multiple devices to be used in the same system
  • Up to 4 different configuration sets in OTP non-volatile memory
  • Supported by the Renesas IC Toolbox (RICBox) software tool
  • Quick sampling and customization process supported by online form submission
  • 6mm x 6mm 48-VFQFPN package
  • -40°C to +85°C operating temperature range

説明

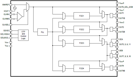
The 5P49V6968 is a member of the VersaClock® 6E programmable clock generator family. The 5P49V6968 is intended for high-performance consumer, networking, industrial, computing, and data-communications applications. The reference clock can come from one of the two redundant clock inputs. A glitchless manual switchover function allows one of the redundant clocks to be selected during normal operation.

Configurations may be stored in on-chip One-Time Programmable (OTP) memory or changed using I²C interface.

本デバイスは、ルネサス事業所でのプログラム書き込みが可能です。
カスタムプログラムユーティリティをお試しください。

パラメータ

属性
Diff. Outputs11
App Jitter CompliancePCIe Gen1, PCIe Gen2, PCIe Gen3, PCIe Gen4, PCIe Gen5
Outputs (#)11
Output TypeLVCMOS, LVPECL, HCSL, LVDS, LP-HCSL
Output Freq Range (MHz)1 - 350
Input Freq (MHz)1 - 350
Inputs (#)2
Input TypeCrystal, LVCMOS, LVPECL, LVDS, HCSL
Output Banks (#)4
Core Voltage (V)1.8V, 2.5V, 3.3V
Output Voltage (V)1.8V, 2.5V, 3.3V
Product CategoryVersaClock 6E
Selection Criteria<700 fs RM

パッケージオプション

Pkg. TypePkg. Dimensions (mm)Lead Count (#)Pitch (mm)
VFQFPN6.0 x 6.0 x 0.9480.4

製品比較

5P49V69685P49V69655P49V69755P49V6967
Inputs (#)2212
Outputs (#)11559
Output TypeHCSL, LP-HCSL, LVCMOS, LVDS, LVPECLHCSL, LVCMOS, LVDS, LVPECLHCSL, LVCMOS, LVDS, LVPECLHCSL, LP-HCSL, LVCMOS, LVDS, LVPECL
Phase Jitter Typ RMS (ps)0.5000.5000.5000.500

アプリケーション

  • Ethernet switch/router
  • PCI Express 1.0/2.0/3.0/4.0 spread spectrum on
  • PCI Express 1.0/2.0/3.0/4.0/5.0 spread spectrum off
  • Broadcast video/audio timing
  • Multi-function printer
  • Processor and FPGA clocking
  • Any-frequency clock conversion
  • MSAN/DSLAM/PON
  • Fiber Channel, SAN
  • Telecom line cards
  • Datacenter
本デバイスは、ルネサス事業所でのプログラム書き込みが可能です。
カスタムプログラムユーティリティをお試しください。

適用されたフィルター