メインコンテンツに移動
ルネサス エレクトロニクス株式会社 (Renesas Electronics Corporation)

特長

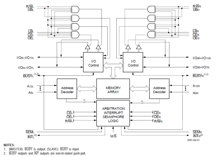
  • True Dual-Ported memory cells which allow simultaneous reads of the same memory location
  • Separate upper-byte and lower-byte control for multiplexed bus compatibility
  • 7025 easily expands data bus width to 32 bits or more
  • Interrupt Flag and On-chip port arbitration logic
  • Full on-chip hardware support of semaphore signaling
  • between ports
  • Fully asynchronous operation from either port
  • Battery backup operation—2V data retention
  • TTL-compatible, single 5V (±10%) power supply
  • Available in 84-pin PGA, Flatpack, PLCC, and 100-pin TQFP packages
  • Industrial temperature range (–40C to +85C) is available

説明

The 7025 is a high-speed 8K x 16 Dual-Port Static RAM designed to be used as a stand-alone 128K-bit Dual-Port RAM or as a combination MASTER/SLAVE Dual-Port RAM for 32-bit or more word systems. An automatic power down feature controlled by Chip Enable (CE) permits the on-chip circuitry of each port to enter a very low standby power mode. Military grade product in compliance with MIL-PRF-38535 QML is available.

パラメータ

属性
Core Voltage (V)5
Bus Width (bits)16
Density (Kb)128
Pkg. CodeGU84, PNG100
InterfaceAsync
I/O Type5.0 V TTL
Access Time (ns)15, 20, 25, 35, 55
Temp. Range (°C)-40 to 85°C, 0 to 70°C
ArchitectureDual-Port
Organization8K x 16
FunctionBusy, Interrupt, Master, Semaphore, Slave

パッケージオプション

Pkg. TypePkg. Dimensions (mm)Lead Count (#)Pitch (mm)
PGA27.94 x 27.94 x 3.68842.54
TQFP14.0 x 14.0 x 1.41000.5

適用されたフィルター