Skip to main content
Renesas Electronics Corporation

Features

  • Buck-boost NVDC charger for 2-, 3- or 4-cell Li-ion batteries
  • Input voltage range: 3.9V to 23.4V (no dead zone)
  • System output voltage: 2.4V to 18.304V
  • Autonomous charging option (automatic completion of charging)
  • Pass-Through mode in forward direction
  • System power monitor PSYS output, IMVP compliant
  • Up to 1MHz switching frequency
  • Adapter current and battery current monitor (AMON/BMON)
  • PROCHOT# open-drain output, IMVP compliant
  • Allows trickle charging of a depleted battery
  • Ideal diode control in Turbo mode
  • Reverse buck, boost, and buck-boost operation from battery
  • Two-level adapter current limit available
  • 100% 2-FET buck only mode option
  • Battery Ship mode option
  • SMBus and auto-increment I2C compatible
  • 4mm x 4mm 32 Ld TQFN package
  • UL2367, IEC 62368-1: File No. E520109

Description

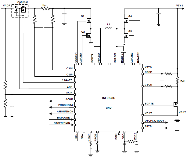
Buck-Boost Narrow VDC Battery Charger with SMBus Interface and USB OTG The ISL9238C is a buck-boost Narrow Output Voltage DC (NVDC) charger. The ISL9238C provides NVDC charging, system bus regulation, and protection features for tablets, Ultrabooks, notebooks, power banks, and any USB-C interface platform. The advanced Renesas R3™ technology provides high light-load efficiency and fast transient response. In Charging mode, the ISL9238C accepts input power from a wide range of DC power sources (such as conventional AC/DC charger adapters, USB PD ports, and travel adapters) and safely charges battery packs with up to 4-series cell Li-ion batteries. As an NVDC topology charger, the ISL9238C also regulates the system output to a narrow DC range for stable system bus voltage. System power can be provided from the adapter, battery, or a combination of both. The ISL9238C can operate with only a battery, only an adapter, or with both connected. For Intel IMVP compliant systems, the ISL9238C includes PSYS (system power monitor) functionality, which provides an analog signal representing total platform power. The PSYS output connects to a wide range of Renesas IMVP core regulators to provide an IMVP compliant power domain function. The ISL9238C supports reverse buck, boost, or buck-boost operation to the input port from 2- to 4-cell batteries. The ISL9238C provides SMBus/I2C serial communication that allows programming of many critical parameters to deliver a customized solution.

Parameters

AttributesValue
Topology [Rail 1]Buck-Boost
Input Voltage (Min) (V)3.2
Input Voltage (Max) (V)23.4
Input Current Limit Accuracy (% (±))2
Battery Charge Voltage2.4 to 18.304
Charging Voltage Accuracy (Max) (±%)0.5
Battery Charge Voltage Adjustment8mV steps
Charge Current Limit Accuracy±2.5 (CSOP - CSON = 60mV)
Trickle Charge Current Range64mA, 128mA, 256mA, or 512mA
Switching Frequency Range (Typical) (kHz)635 - 1000

Package Options

Pkg. TypePkg. Dimensions (mm)Lead Count (#)Pitch (mm)
TQFN4.0 x 4.0 x 0.70320.4

Application Block Diagrams

Pet camera robot system interactive block diagram features a dual-core Arm Cortex-M88 MCU with immutable storage, RSIP cryptographic engine, TrustZone, and tamper protection.
Pet Camera Robot
Mobile pet camera robot with real-time video, audio, and wireless control.
100W USB PD Battery Charger Block Diagram
100W USB PD Battery Charger
100W USB PD platform offers efficient charging, safety features, and a user-friendly design for electronics.
Battery Powered Camera with AI Object Detection & Motion Sensing Block Diagram
Battery-Powered Camera with AI Object Detection & Motion Sensing
Battery-powered camera with AI for efficient motion detection, fast boot, and low-power object classification.
Robot vacuum cleaner Interactive block diagram supports camera-based SLAM and includes safe motor drive technology for reliable cleaning.
Robot Vacuum Cleaner
This smart robot vacuum features environment mapping, anti-drop, obstacle detection, auto-recharge, app control.
Mobile Point of Sale (mPoS) Terminal Block Diagram
Mobile Point of Sale (mPoS) Terminal
Mobile PoS with secure, wireless, multi-payment support for seamless transactions anywhere.
Multi-Cell USB PD Power Bank with Quick Charge 2.0/3.0 Block Diagram
Multi-Cell USB PD Power Bank with Quick Charge 2.0/3.0
60W+ USB PD power bank offers efficient charging with multi-cell setup and Bluetooth LE monitoring.
USB PD Adapter with Turbo Boost Block Diagram
USB PD Adapter with Turbo Boost
High-power USB PD system supports devices needing over 20V and up to 45W with broad compatibility.
Block diagram of the battery management system with life indicator for battery packs featuring NVDC charger, fuel gauge IC and MOSFETs.
Battery Management System with Life Indicator for Battery Packs
Intelligent battery management system with real-time life indicator, supporting 2–4 Li-ion cells and flexible charging options.

Additional Applications

  • 2- to 4-cell tablets
  • Ultrabooks
  • Notebooks
  • Power banks
  • Any USB-C interface portable device requiring batteries

Applied Filters: