Skip to main content
Renesas Electronics Corporation

Features

  • Pre-programmed for a fixed output voltage of1.20V with a load current range up to 15A
  • Advanced digital control techniques: Tru-sample Technology™ and State-Law Control™ (SLC)
  • Preconfigured compensation for selected inductance values
  • Improved transient response and noise immunity
  • Protection features: configuration for over-current protection, over-voltage protection (VIN, VOUT), under-voltage protection (VIN, VOUT), over-temperature protection, overloaded startup, and restart and delay

Description

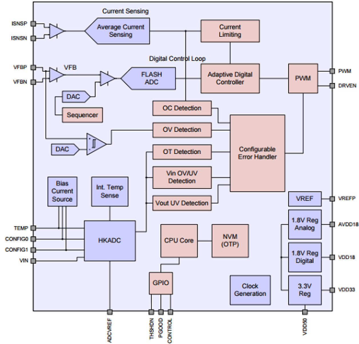
ZSPM15xx family ICs are controllers designed for high-current, non-isolated DC/DC step-down point of load (POL) converters. For ease of use, the ZSPM15xx is factory pre-configured for industry standard output voltages and currents enabling fast time-to-market. The ZSPM1513 provides a fixed output voltage of 1.20V with a load current range up to 15A using the recommended inductor value of 680nH.

The ZSPM15xx has a digital control loop that is optimized for maximum stability as well as load step and steady-state performance. ZSPM15xx family ICs have a rich set of integrated fault protection features including over-voltage/under-voltage, output over-current, and over-temperature protections. To provide flexibility for the end-customer, the over-current protection threshold and the control loop compensation are selectable by the end-customer to match a number of selected power stages. ZSPM15xx family ICs have been optimized for maximum efficiency when used with IDT's DrMOS devices. Reference designs and application instructions enable a high performance turnkey solution without extensive engineering development.

Applied Filters: