Skip to main content
Renesas Electronics Corporation

Features

  • High ambient light and UV energy sensitivity
  • Superior infrared energy suppression
  • Very stable spectral response over angle of light incidence
  • Wide dynamic range
  • Excellent temperature compensation
  • Linear UV index measurement (1 to >11)
  • Integrated ALS closely matches human eye response for high lux accuracy over different light sources
  • Absolute ALS sensitivity: 0.008 lux to 157000 lux
  • Configurable ALS output resolution: 13 to 20 bits
  • Configurable ALS analog gain: x1 to x18
  • Linear ALS output code
  • ALS immunity to flicker from 50Hz/60Hz and fluorescent light
  • Lowest conversion repeat noise
  • Programmable interrupt function for ALS and UVS with upper and lower thresholds
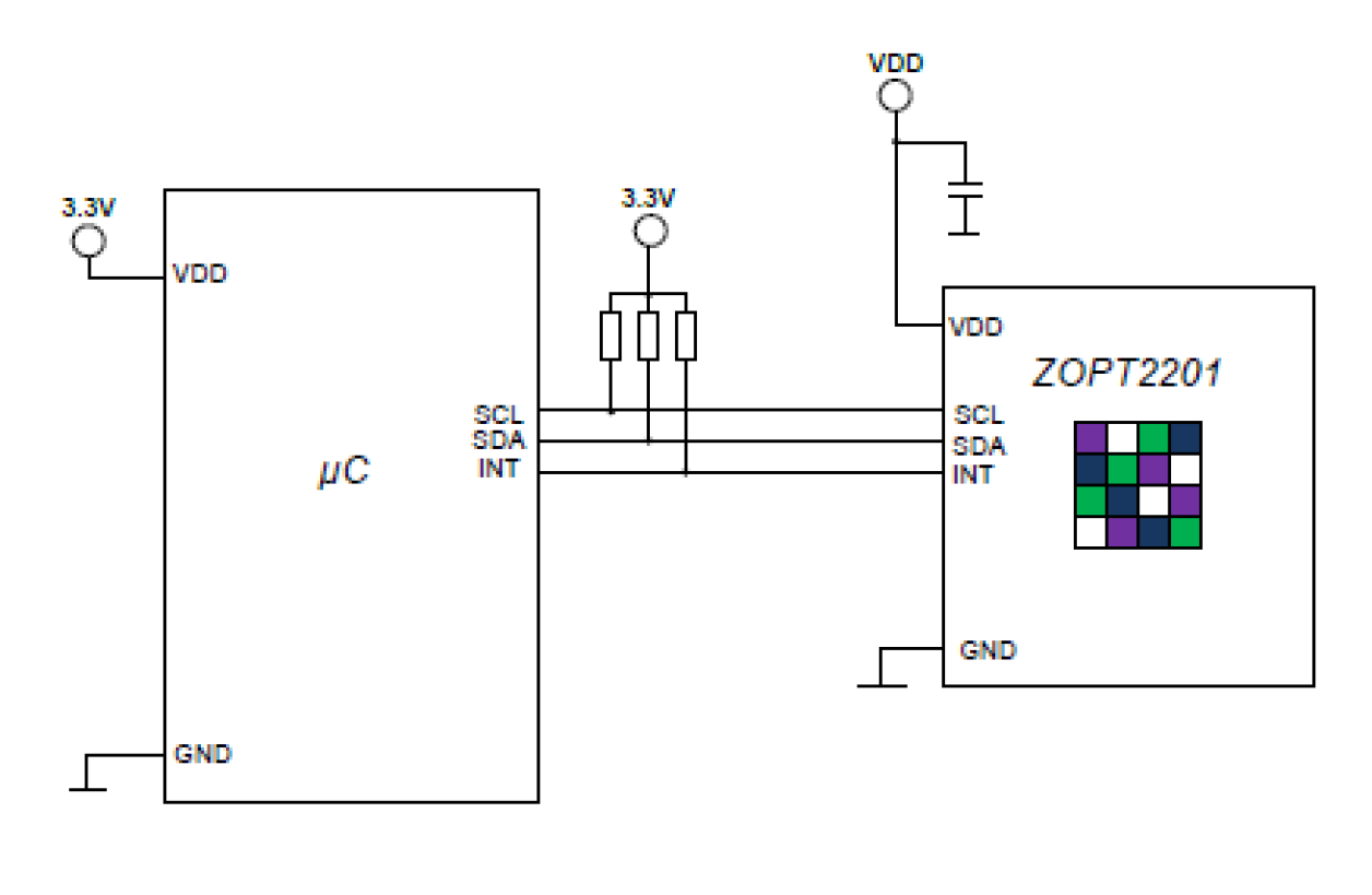
  • I2C interface capable of standard mode (100kHz) or fast mode (400kHz) communication; 1.8V logic compatible

Description

The ZOPT2201 Sensor integrates an ambient light sensor (ALS) and ultraviolet energy sensor (UVS). The device can be connected via an I2C interface to an external microcontroller. Other I2C or SMBus devices can be connected to the same interface. The device has a programmable interrupt with hysteresis to respond to events and reduce the microcontroller tasks. A major application of the device is in smart phones or other mobile devices to enable brightness control of display panels (ALS) and diverse health care applications or contextual awareness algorithms (UV).

Applied Filters: