Features
- Solid-State Potentiometer
- Three-Wire Serial Interface
- 100 Wiper Tap Points
- Wiper Position Stored in Non-volatile Memory and Recalled on Power-up
- 99 Resistive Elements
- Temperature Compensated
- End-to-End Resistance, ±20%
- Terminal Voltages, ±5V
- Low Power CMOS
- VCC = 5V
- Active Current, 3mA max.
- Standby Current, 750µA max.
- High Reliability
- Endurance, 100,000 Data Changes per Bit
- Register Data Retention, 100 years
- X9C102 = 1kΩ
- X9C103 = 10kΩ
- X9C503 = 50kΩ
- X9C104 = 100kΩ
- Packages
- 8 Ld SOIC
- 8 Ld PDIP
- Pb-Free Available (RoHS Compliant)
Description
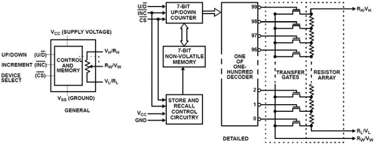
The X9C102, X9C103, X9C104, X9C503 are Intersil's digitally controlled (XDCP) potentiometers. The device consists of a resistor array, wiper switches, a control section, and non-volatile memory. The wiper position is controlled by a three-wire interface. The potentiometer is implemented by a resistor array composed of 99 resistive elements and a wiper switching network. Between each element and at either end are tap points accessible to the wiper terminal. The position of the wiper element is controlled by the CS, U/D, and INC inputs. The position of the wiper can be stored in non-volatile memory and then be recalled upon a subsequent power-up operation. The device can be used as a three-terminal potentiometer or as a two-terminal variable resistor in a wide variety of applications ranging from control to signal processing to parameter adjustment.
Parameters
| Attributes | Value |
|---|---|
| Resistance Taper | Linear |
| Taps (#) | 100 |
| Resistance Options (kΩ) | 50 |
| Channels (#) | 1 |
| Interface | 3-Wire (Up/Down) |
| Memory Type | Nonvolatile |
| Supply Voltage Vcc Range | 4.5 to 5.5 |
| Supply Current Icc (µA) | 200 |
| Single Supply Voltage Range (V) | 5.5 |
| Wiper Current (mA) | 4.4 |
| Wiper Resistance (ohms) | 40 |
| VL Terminal Voltage (Min) (V) | -5 |
| VL Terminal Voltage (Max) (V) | 5 |
| End-to-End Temperature Coefficient (ppm/°C) | 300 |
| Middlepoint Ratiometric Tempco | 20 |
| Advanced Features | Integrated charge pump to allow for single supply to swing -5.5V to 5.5V |
| Qualification Level | Standard |
Package Options
| Pkg. Type | Pkg. Dimensions (mm) | Lead Count (#) | Pitch (mm) |
|---|---|---|---|
| SOICN | 4.9 x 3.9 x 0.00 | 8 | 1.3 |
Applied Filters: