Features
- Complete digital power supply
- 20A single channel output current
- 4.75V to 15V single rail input voltage
- Up to 94% efficiency
- Programmable output voltage
- 0.45V to 3.3V output voltage settings
- ±0.7% accuracy over line, load, and temperature
- Advanced linear digital modulation scheme
- Up to 1.25MHz fixed switching frequency operations
- Dual edge modulation with optional diode braking for faster transient response
- Excellent VOUT transition performance
- PMBus v1.3 compatible
- Fully programmable through PMBus
- Up to 16 user configurations stored in device Non-Volatile Memory (NVM)
- Real-time telemetry for VIN, VOUT, IOUT, temperature, duty cycle, and fSW.
- Advanced soft-start/stop, sequencing, and margining
- Complete customizable over/under voltage, current, and temperature protections
- Black Box status recording with first fault indicator
- 10mm × 13mm × 5.9mm BGA (POP) package
Description
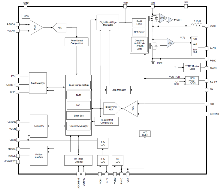
The RRM12120 is a fully PMBus-enabled DC/DC step-down power supply capable of delivering up to 20A of current from a compact 10mm × 13mm × 5.9mm thermally enhanced BGA package.
Operating across an input voltage range of 4.75V to 15V, the RRM12120 offers adjustable output voltages down to 0.45V and achieves up to 94% efficiency. The RRM12120 implements the proprietary Renesas digital synthetic current modulation scheme to achieve an industry-leading combination of transient response, ease of tuning, and efficiency across the full load range. With minimal external components, simple configuration, robust fault management, and highly accurate regulation capability, implementing a high-performance regulator has never been easier.
A standard PMBus interface with PMBus v1.3 compatibility facilitates device configuration, addresses sequencing and fault management, provides real-time full telemetry and point-of-load monitoring, and detailed fault reporting. All of these features are conveniently accessible through the PowerNavigator™ software tool.
A fully customizable cycle-by-cycle current (peak overcurrent and peak undercurrent limit), voltage, and temperature protection scheme is capable of latching off or restarting the output in response to system faults.
Parameters
| Attributes | Value |
|---|---|
| Input Voltage (Max) (V) | 15 |
| Output Voltage (Min) (V) | 0.45 |
| Output Voltage (Max) (V) | 3.3 |
| Output Current (Max) [Rail 1] (A) | 20 |
| Switching Frequency Range (Typical) (kHz) | 500 - 500 |
| Control Type | Digital |
| Current Sharing | No |
| Digital Bus | Yes |
| SYNCH Capability | No |
| POR | Yes |
| Peak Efficiency (%) | 94 |
| Qualification Level | MSL3 |
| Temp. Range (°C) | -40 to +85°C |
Package Options
| Pkg. Type | Pkg. Dimensions (mm) | Lead Count (#) | Pitch (mm) |
|---|---|---|---|
| Module | 13.0 x 10.0 x 5.60 | 130 | 1 |
Applications
- Server, telecommunications, storage, and data communications
- Industrial/ATE and networking equipment
- General purpose power for ASIC, FPGA, DSP, and memory
Applied Filters:
Filters
Software & Tools
Sample Code
Simulation Models
An overview of Renesas’ digital and analog power module lineup, which is designed to have excellent efficiency, output voltage accuracy and transient response in an optimized solution size. The RRM12120 and RAA210130 digital power modules are designed for high current applications (20A and 30A, respectively) while mini modules RAA210030 and RAA210040 target low current applications requiring an extremely small form factor.
Explore Renesas’ cutting-edge digital and analog power modules engineered for exceptional efficiency, precise output voltage, and fast transient response, all in optimized compact designs. From high-current solutions to ultra-small form factor mini modules for low-current applications, this lineup delivers performance tailored to every need.
Related Resources