Skip to main content
Renesas Electronics Corporation

Features

  • 169fs RMS phase jitter (12kHz to 20MHz, 156.25MHz)
  • PCIe® Gen6 Common Clock (CC) 27fs RMS
  • PCIe SRIS and SRNS support
  • 1kHz to 650MHz (differential) and 1kHz to 200MHz (single-ended) outputs
  • LVCMOS, LVDS, or Low-Power HCSL output types with simple AC coupling to LVPECL and CML. LP-HCSL integrates terminations
  • Seven programmable general purpose input/outputs (GPIO)
  • 1MHz I2C serial port
  • Multiple configurations can be stored in internal one-time programmable (OTP) memory
  • 1.8V and/or 3.3V operation
  • IATF 16949 manufacturing support
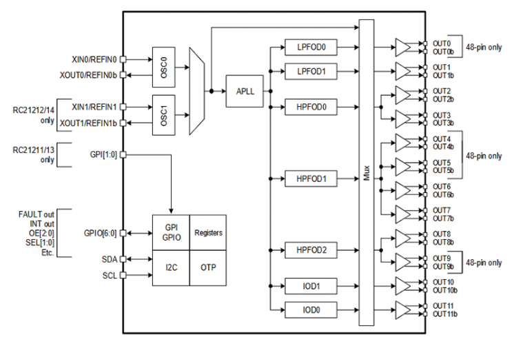
  • Package options:
    • 12 differential or 24 single-ended outputs
      • 6mm x 6mm x 0.75mm, 48-QFN package
      • RC21211: Single crystal
      • RC21212: Dual crystal
    • 8 differential or 16 single-ended outputs
      • 5mm x 5mm x 0.75mm, 40-QFN package
      • RC21213: Single crystal
      • RC21214: Dual crystal

Description

The RC2121 family of devices are high-performance programmable clock generators with added diagnostic features to support automotive applications. These RC2121 clock generators are ISO 9001 compliant, AEC-Q100 qualified, can function in the temperature range of -40 °C to 105 °C (Grade 2 equivalent), and provide support for the production part approval process (PPAP).

This device is factory-configurable.
Try the Custom Part Configuration Utility.

Parameters

AttributesValue
FunctionGenerator
Outputs (#)40, 48
Output TypeLP-HCSL, LVDS, LVCMOS
Output Freq Range (MHz)0.001 - 650, 0.001 - 200

Package Options

Pkg. TypePkg. Dimensions (mm)Lead Count (#)Pitch (mm)
VFQFPN5.0 x 5.0 x 0.75400.4
VFQFPN6.0 x 6.0 x 0.75480.4

Application Block Diagrams

Automotive communication gateway platform features integrates MCU and SoC on one board and supports diverse networks and protocols.
Automotive Communication Gateway Platform
Integrated automotive gateway platform with R-Car S4 SoC, multi-network support, and optimized power management.

Additional Applications

  • Infotainment
  • Gateways
  • Domain controllers
  • Zone controllers
This device is factory-configurable.
Try the Custom Part Configuration Utility.

Applied Filters: