Features
- Flyback regulator with 1000V 9Ω MOSFET
- Single 400V bulk capacitor for single-phase input up to 460VAC
- Frequency doubling for heavy load operation (up to 15W in single-phase and 21W and above in 3-phase), with programmable duration (maximum time depends on thermal capability)
- Valley switching to reduce switching losses
- Programmable constant frequency PWM operation
- Burst mode operation at light load
- Protection features: Short-circuit protection (SCP), overload protection (OLP), input undervoltage lockout (VinUV), Input OVP, VCC overvoltage protection (VccOV), VCC undervoltage lockout (VccUV) and over-temperature protection (OTP).
- 4KV surge compliance per IEC 61000-4-5 with cap-saving operation
Description
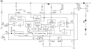
The RAA223183 is an off-line Flyback regulator with a 1000V integrated MOSFET, designed for high-reliability application of single-phase and 3-phase smart meter power supplies and other generally isolated power supplies. The RAA223183 can deliver up to 7W power from the single-phase and 11W from 3-phase universal inputs.
Parameters
| Attributes | Value |
|---|---|
| Topology Characteristic | Flyback or Forward (two switch) |
| Control Mode | DCM |
| UVLO Rising (V) | 12 |
| UVLO Falling (V) | 5.5 |
| VBIAS (Max) (V) | 18 |
| PWMs (#) | 1 |
| Output Power Max (W) | 12 |
| Switching Frequency (KHz) | 50 - 100 |
| Controller / Integrated | Integrated |
| Advanced Features | CapSaver (always-on OVP), Peak Power |
| Temp. Range (°C) | -40 to +125°C |
| Qualification Level | Standard |
Package Options
| Pkg. Type | Pkg. Dimensions (mm) | Lead Count (#) | Pitch (mm) |
|---|---|---|---|
| SOICN | 9.9 x 3.9 x 1.25 | 13 | 1.3 |
Applications
- Smart meter
- Large appliances
- Industry control
Applied Filters:
Loading