Skip to main content
Renesas Electronics Corporation
Alternative(s) Available
NRND - No Recommended Replacements Available - NRND
  • Notes:The RAA210925 is not recommended for new designs and has no alternative product available.

Features

  • 25A/25A dual-channel output current
    • 4.5V to 14V single rail input voltage
    • Up to 95.5% efficiency
  • Programmable output voltage
    • 0.6V to 5V output voltage settings
    • ±1.2% accuracy over line/load/temperature
  • ChargeMode control loop architecture
    • 296kHz to 1067kHz fixed switching frequency operations
    • No compensation required
    • Fast single clock cycle transient response
  • PMBus interface and/or pin-strap mode
    • Programmable through PMBus
    • Pin-strap mode for standard settings
    • Real-time telemetry for VIN, VOUT, IOUT, temperature, duty cycle, and fSW
  • Complete over/undervoltage, current, and temperature protections with fault logging
  • PowerNavigator supported
  • Thermally enhanced 18mm x 23mm x 7.5mm HDA package

Description

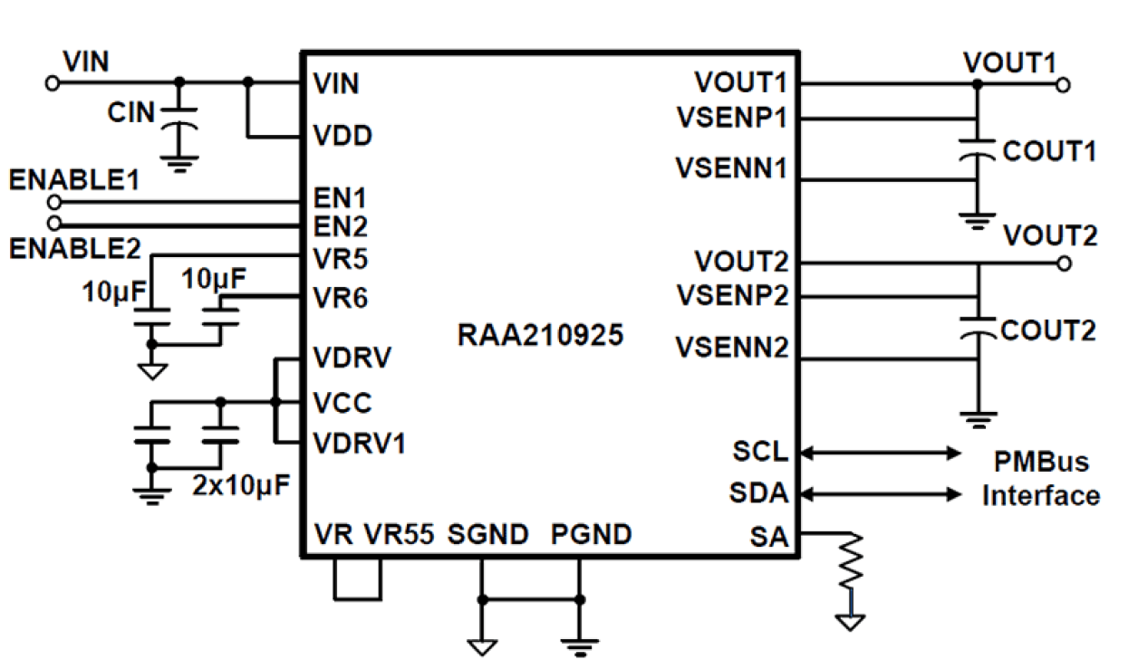
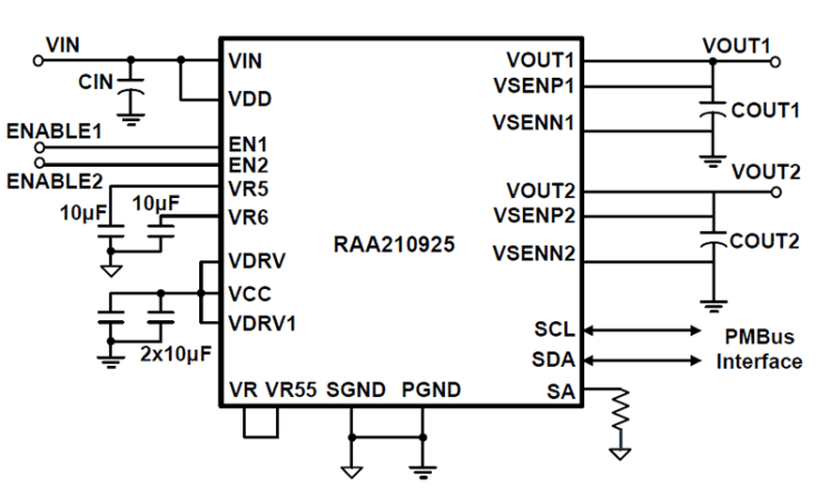
The RAA210925 is a pin-strap configurable dual 25A step-down PMBus-compliant DC/DC power supply module that integrates a digital PWM controller, synchronous MOSFETs, power inductor, and passive components. Only input and output capacitors are needed to finish the design. Because of its thermally-enhanced HDA packaging technology, the module can deliver up to 25A of continuous output current without the need for airflow or additional heat sinking. The RAA210925 simplifies configuration and control of Renesas digital power technology while offering an upgrade to full PMBus configuration through the pin-compatible ISL8274M. Operating across an input voltage range of 4. 5V to 14V, the RAA210925 offers adjustable output voltages down to 0. 6V and achieves up to 95. 5% conversion efficiencies. A unique ChargeMode™ control architecture provides a single clock cycle response to an output load step and can support switching frequencies up to 1067kHz. The power module integrates all power and most passive components and requires only a few external components to operate. The RAA210925 comes with a preprogrammed configuration for operating in Pin-strap mode. Output voltage, switching frequency, input UVLO, soft-start/stop delay and ramp times, tracking function, and the device SMBus address can be programmed with external pin-strap resistors. A standard PMBus interface addresses fault management, as well as real-time full telemetry and point-of-load monitoring. The RAA210925 is supported by PowerNavigator™ software, a Graphical User Interface (GUI), that can configure modules for desired solutions. The RAA210925 is available in a low profile, compact 18mm x 23mmx 7. 5mm fully encapsulated, thermally enhanced HDA package.

Applied Filters: