Skip to main content
Renesas Electronics Corporation

Features

  • 5 ohm switches connect inputs to outputs
  • Zero propagation delay
  • Direct bus connect
  • Live insertion capability
  • Low power CMOS proprietary technology
  • Bus exchange allows nibble swap
  • TTL-compatible control inputs
  • Available in 80-pin Millipaq package

Description

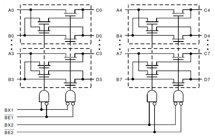
The QS34X383 provides four sets of eight high-speed CMOS TTL-compatible bus switches. The low ON resistance (5 ohm) of the QS34X383 allows inputs to be connected to outputs without adding propagation delay and without generating additional ground bounce noise. The Bus exchange configuration allows byte swapping of buses in systems. It can also be used as a 16-bit 2-to-1 multiplexer and to create low delay barrel shifters, etc. The QS34X383 operates at -40C to +85C.

Applied Filters: