Skip to main content
Renesas Electronics Corporation

Features

  • Enhanced N-channel FET with no inherent diode to VCC
  • Very low ON-resistance (5Ω typical)
  • Zero propagation delay, zero added ground bounce
  • Fast turn-on/turn-off time
  • Undershoot clamp diodes on all switch and control inputs
  • Available in an 8-pin SOIC package

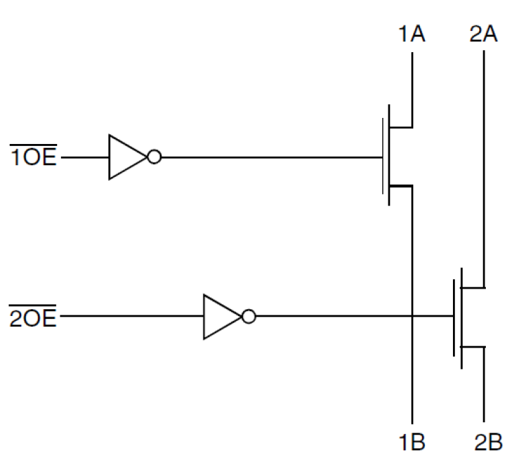
Description

The QS3306A provides a set of two high-speed low resistance (3Ω typical) CMOS switches connecting inputs to outputs without propagation delay and without generating additional ground bounce noise. Individual enables (OE) are used to turn on the switches. The QS3306A is ideal for signal and control switching since the device adds no noise, ground bounce, propagation delay, or significant power consumption to the system. The QS3306A can also be used for analog switching applications such as video. The QS3306A operates at -40 °C to +85 °C.

Applications

  • Line control
  • Hot-swapping, hot-docking
  • Voltage translation (5V to 3.3V)
  • Power conservation
  • Capacitance reduction and isolation
  • Clock gating
  • Bus isolation
  • Signal suppression/blanking

Applied Filters: