Skip to main content
Renesas Electronics Corporation

Features

  • Enhanced N channel FET with no inherent diode to Vcc
  • 16:8 multiplexer function with zero delay
  • 5 ohm bidirectional switches connect inputs to outputs
  • Zero propagation delay, zero ground bounce
  • Undershoot clamp diodes on all switch and control inputs
  • Direct bidirectional connection for mux, demux
  • 25 ohm resistors for low noise
  • Video, audio, graphics switching, muxing
  • Hot-swapping, hot-docking
  • Voltage translation (5V to 3.3V)
  • Available in 28 pin QSOP package

Description

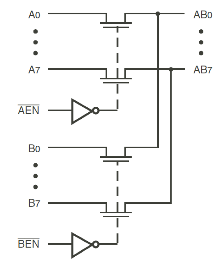
The QS32390 provides a 16:8 multiplexer logic switch. The QS32390 has an internal 25 ohm resistor to reduce reflection noise in high-speed applications. The enable inputs connect one of two inputs to the common I/O pin, respectively. The multiplexer function can be used to select and route logic signals for zero delay, isolate bus capacitance, form crossbar switches, etc. The QS32390 operates at -40C to +85C.

Applied Filters: