Skip to main content
Renesas Electronics Corporation

Features

  • Advanced linear digital modulation scheme
    • Zero latency synthetic current control for excellent HF current balance
    • Dual edge modulation for fastest transient response
  • Auto phase add/drop for excellent load vs efficiency profile
  • PMBus 1.3 support
    • Telemetry - VIN, VOUT, IOUT, power IN/OUT, temperature, and various fault status registers
    • Up to 2MHz bus interface
  • Flexible phase configuration
    • 4+0, 3+1, 2+2 phase operation
    • Operation using less than four phases between two outputs is also supported
  • Diode braking for overshoot reduction
  • Differential remote voltage sensing supports ±0.5% closed loop system accuracy over load, line, and temperature
  • Highly accurate current sensing for excellent load line regulation and accurate OCP
    • Supports ISL99227 60A smart power stage
    • Supports DCR sense with integrated temperature compensation
  • Comprehensive fault management enables high reliability systems
    • Pulse-by-pulse phase current limiting
    • Total output current protection
    • Output and input OV/UV
    • Open voltage sense detect
    • Black box recording capability for faults
  • Intuitive configuration via PowerNavigator GUI - NVM to store up to 8 configurations
  • Pb-free (RoHS compliant)

Description

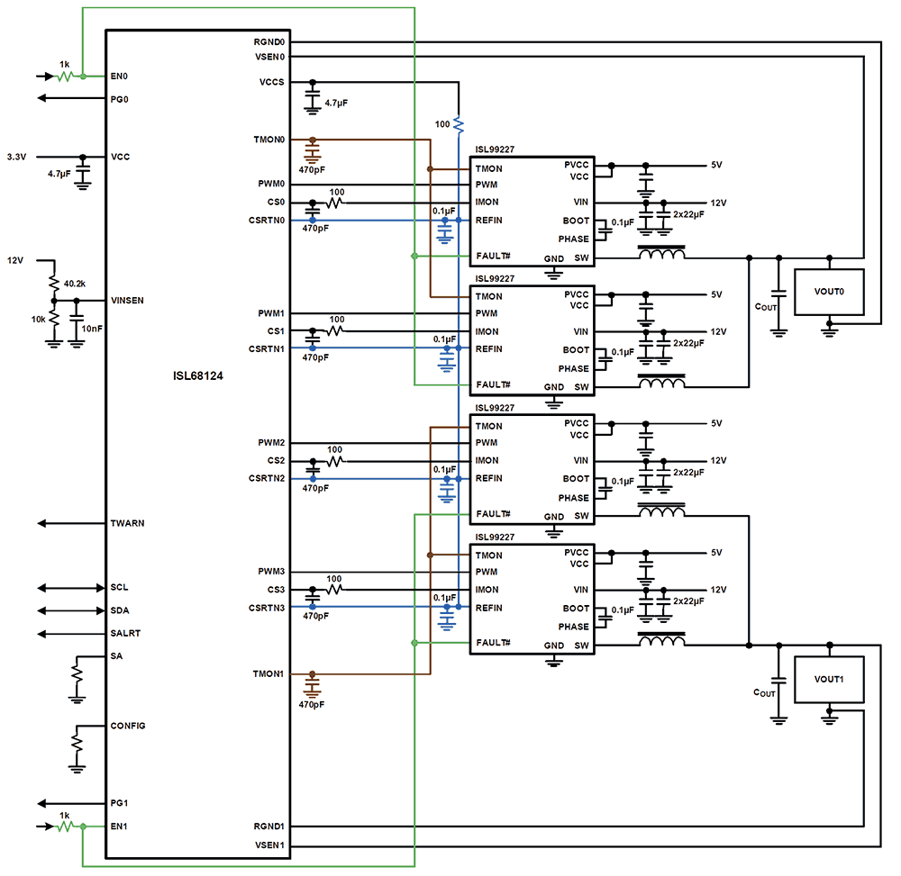
The ISL68124 is a digital dual output, flexible multiphase (X+Y ≤ 4) PWM controller supporting the latest PMBus 1. 3 specifications. Either output can be configured to support any desired phase assignments up to a maximum of four phases across the two outputs (X+Y). For example, 3+1, 2+2, 2+1, or even a single output operation as a 4+0 configuration are supported. The ISL68124 uses Intersil’s proprietary linear synthetic digital current modulation scheme to achieve the industry’s best combination of transient response and ease of tuning while addressing the challenges of modern multiphase designs. Device configuration and telemetry monitoring is accomplished using Intersil's intuitive PowerNavigator™ GUI. The ISL68124 device supports on-chip nonvolatile memory to store various configuration settings that are user selectable through pin-strap, giving system designers increased power density to configure and deploy multiple configurations. The device supports an automatic phase add/drop feature to allow maximum efficiency across all load ranges. Thresholds for automatic phase add/drop are user programmable using the powerful PowerNavigator GUI. The ISL68124 supports a comprehensive fault management system to enable the design of highly reliable systems. From a multitiered overcurrent protection scheme, to the configurable power-good and output overvoltage/undervoltage fault thresholds and temperature monitoring, almost any need is accommodated. With minimal external components, easy configuration, robust fault management, and highly accurate regulation capability, implementing a high-performance, multiphase regulator has never been easier.

Parameters

AttributesValue
Outputs (Max) (#)2
Phases (Max)4
Input Voltage (Min) (V)4.5
Input Voltage (Max) (V)25
Output Voltage (Max) (V)3.05
Output Current (Max) [Rail 1] (A)240
Bias Voltage Range (V)3.3 - 3.3
Parametric ApplicationsNetworking equipment, Telecom/datacom equipment, Server/storage equipment, Point-of-load power supply (Memory, DSP, ASIC, FPGA)
Qualification LevelStandard
Temp. Range (°C)-40 to +85°C

Package Options

Pkg. TypePkg. Dimensions (mm)Lead Count (#)Pitch (mm)
TQFN5.0 x 5.0 x 0.75400.4

Applied Filters: