Skip to main content
Renesas Electronics Corporation

Features

  • Delivers up to 15W as a receiver 
  • WattShare™ (TRx ) mode with up to 5W Tx capability
  • 24kB Multiple-time programmable (MTP) non-volatile memory 
  • WPC 1.3 Specification hardware ready 
  • 2.7V Under Voltage Lockout (UVLO) threshold for expanding the charging area
  • Internal reverse current sense for WattShareTM mode
  • Reliable VRECT over voltage clamping
  • Internal IOUT filtering to remove the battery charger current ripple
  • Supports Bi-Directional communications
  • Supports X-Y alignment coils 
  • Device capable of delivering 30W in proprietary mode
  • Embedded 32-bit ARM® Cortex®-M0 processor
  • Supports I2C 400kHz standard interface and GPIOs
  • Package: 6 × 9 ball array, 2.82 × 4.22 × 0.50 mm, 53-WLCSP with 0.40mm ball pitch

Description

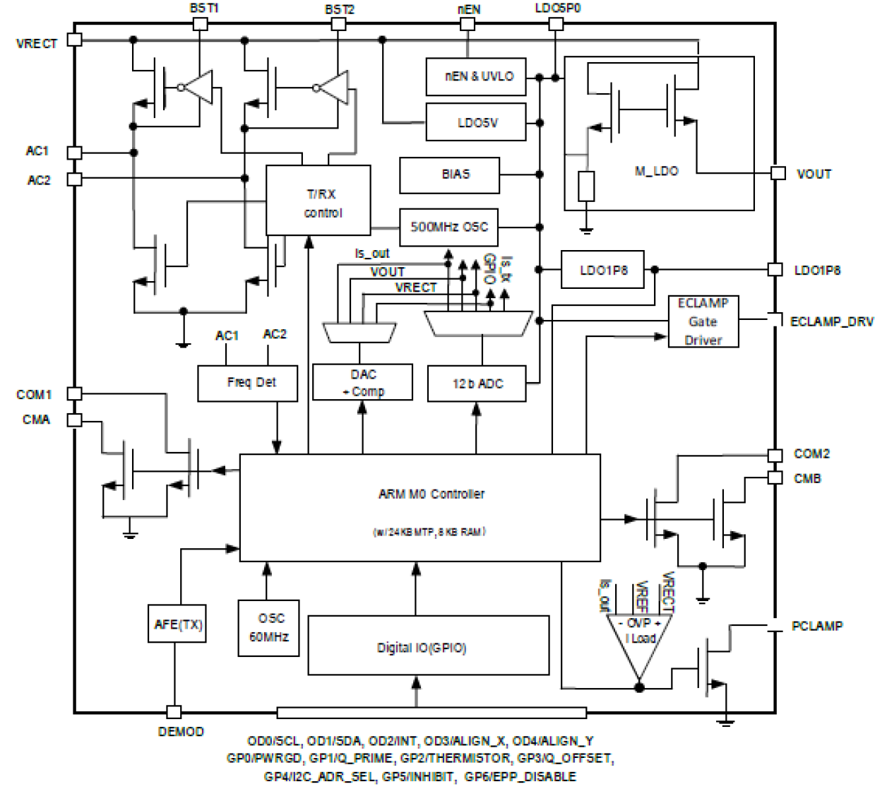
The P9415-R is a highly-integrated single-chip wireless power transmitter/receiver IC (TRx). The device can be configured to receive or transmit an AC power signal through magnetic induction.

When the device is configured as a wireless power transmitter, it uses an on-chip full/half-bridge inverter, a PWM generator, a modulator/demodulator for communication, and micro controller to produce an AC power signal to drive external L-C tank. As a receiver, the device receives an AC power signal from a wireless transmitter and converts it into rectified output voltage, which can be used to power devices or supply the charger input in mobile applications. The P9415-R integrates a high efficiency Synchronous Full Bridge Rectifier and control circuitry to modulate the load to send message packets to the Transmitter (Tx) to optimize power delivery. 

The P9415-R features Multiple-time programmable (MTP) non-volatile memory that enables customers to customize the design parameters such as default output voltage, FOD thresholds.

The device includes over-temperature and voltage protection. Fault conditions associated with power transfer are managed by an industry-leading 32-bit ARM® Cortex®-M0 processor offering high level of programmability while consuming extremely low standby power. The processor can also control GPIOs to indicate operating and fault modes. The P9415-R is available in an ultra-small 53-WLCSP package. 

Applied Filters: