Skip to main content
Renesas Electronics Corporation

Features

  • Supports bidirectional data communication 
  • Enables authentication and system data transfer
  • Up to 15W of power transfer
  • 87% end-to-end efficiency when combined with the P9221-R3
  • VIN range: 4.25V to 21V
  • Integrated drivers for external power FETs
  • Integrated step-down switching regulator
  • Simultaneous voltage and current demodulation
  • Standard device compliant with WPC 1.2 specification
  • Supports I²C interface
  • -40 °C to +85 °C ambient operating temperature range
  • P9242-RB with an external flash supports firmware customization
  • 6mm x 6mm, 48-VFQFPN package

Description

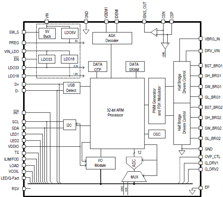
The P9242-R3 is a highly integrated 15W magnetic induction wireless power transmitter with in-band, bidirectional data communication requiring no additional circuitry. The communication channel can be used for proprietary device authentication and secure system data transfer.

The P9242-R3 includes a 32-bit Arm®  Cortex®-M0 processor, foreign object detection (FOD), wide input voltage range operation, full bridge drivers, and on-chip simultaneous voltage and current demodulation.

In addition, the P9242-R3 features programmable over-current protection, programmable LED output blinking pattern, and I²C serial interface protocol to read back information such as voltage, current, and fault conditions. This standard device is compliant with the WPC 1.2 specification. Combined with the P9221-R3 receiver, the P9242-R3 forms a complete wireless power system solution for 15W applications with bidirectional data communication.

The P9242-R3 has the bootloader and application firmware pre-programmed into internal one-time programmable (OTP) memory.

The P9242-RB, which is pin-compatible with the P9242-R3, has only the bootloader pre-programmed into OTP memory 
and uses external flash for the application firmware so that it can be changed for specific system requirements.

The P9242-R3 and P9242-RB are available in a lead-free, space-saving 48-VFQFN package. It is rated for -40 ºC to +85 ºC ambient operating temperature range.

Applied Filters: