Skip to main content
Renesas Electronics Corporation
Alternative(s) Available
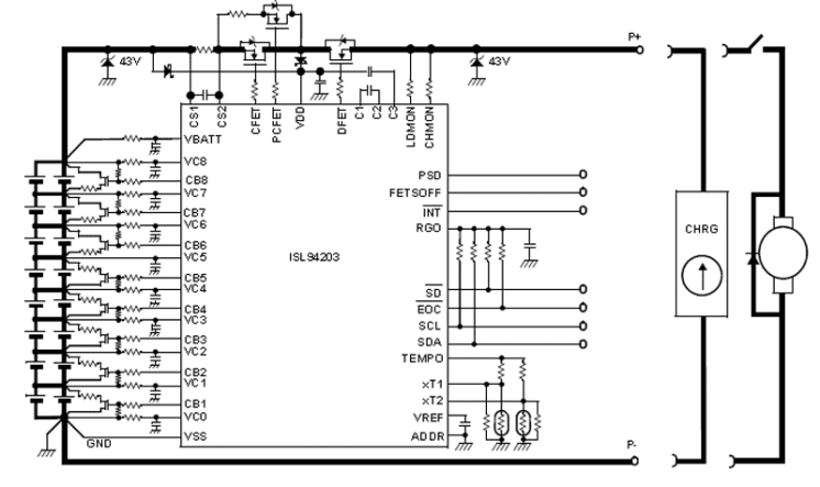
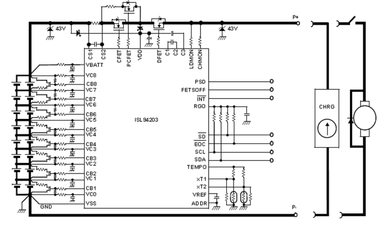
ISL94202 - Standalone 3 to 8 Cell Li-Ion Battery Pack Monitor
  • Notes:The ISL94203 is not recommended for new designs. The recommended replacement is ISL94202.

Features

  • Eight cell voltage monitors support Li-ion CoO2, Li-ion Mn2O4 and Li-ion FePO4 chemistries
  • Stand-alone pack control - no microcontroller needed
  • Multiple voltage protection options (each programmable to 4.8V; 12-bit digital value) and selectable overcurrent protection levels
  • Programmable detection/recovery times for overvoltage, undervoltage, overcurrent and short-circuit conditions
  • Configuration/calibration registers maintained in EEPROM
  • Open battery connect detection
  • Integrated charge/discharge FET drive circuitry with built-in charge pump supports high-side N-channel FETs
  • Cell balancing uses external FETs with internal state machine or external microcontroller
  • Enters low power states after periods of inactivity. Charge or discharge current detection resumes normal scan rates

Description

The ISL94203 is a Li-ion battery monitor IC that supports from 3 to 8 series connected cells. It provides full battery monitoring and pack control. The ISL94203 provides automatic shutdown and recovery from out of bounds conditions and automatically controls pack cell balancing. The ISL94203 is highly configurable as a stand-alone unit, but can be used with an external microcontroller, which communicates to the IC through an I2C interface.

Applications

  • Power tools
  • Battery back-up systems
  • E-bikes

Applied Filters: